€ dienen zur Herstellung einer geraden Auflagefläche für Senkschrauben oder Linsensenkschrauben. Sie haben einen gestanzten, offenen Boden, der sich in das Material eindrücken kann. Wenn Sie das Eindrücken vermeiden wollen, nutzen Sie Vollmetall-Rosetten oder Rosetten mit geschlossenem Boden. Sie eignen sich für die flache Auflage von Senkschrauben, sie sonst vorgesenkt werden müssten.
Damit sich kein Rost bildet, bieten wir Rosettenscheiben in Edelstahl Rostfrei oder Messing vernickelt an. Rosettenscheiben sind nicht über eine DIN- oder ISO-Norm genormt.
Wegertseder
dienen zur Herstellung einer geraden Auflagefläche für Senkschrauben oder Linsensenkschrauben. Sie haben einen gestanzten, offenen Boden, der sich in das Material eindrücken kann. Wenn Sie das Eindrücken vermeiden wollen, nutzen Sie Vollmetall-Rosetten oder Rosetten mit geschlossenem Boden. Sie eignen sich für die flache Auflage von Senkschrauben, sie sonst vorgesenkt werden müssten.
Damit sich kein Rost bildet, bieten wir Rosettenscheiben in Edelstahl Rostfrei oder Messing vernickelt an. Rosettenscheiben sind nicht über eine DIN- oder ISO-Norm genormt.
Rosetten, gestanzt ROSTFREI A2
Artikelgruppe
4213
ROSTFREI A2
RoHS-Konform: Ja

REACh - Informationspflichtig: Nein

Art. 81908
Zolltarifnummer 73182200
"Standard" rostfreier Stahl, bedingt säurebeständig (idR Festigkeitsklasse 70)
Korrosionsbes.
relativ hoch
Optik
metallisch matt, silbrig bis grau
 | Lade... |
Rosetten, gestanzt
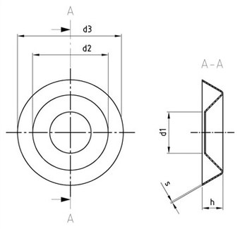
Legende:
für Schrauben
= Durchmesser-Innen für metrisches Maß (M)
Maße (d1)
= Durchmesser-Innen
| Maße (d1) |
3,5 |
4,5 |
5,5 |
7,0 |
9,0 |
10,0 |
|
|
|
|
| d2 |
6,5 |
8 |
10 |
12 |
16 |
20 |
|
|
|
|
| d3 |
9 |
11 |
14 |
16 |
22 |
28 |
|
|
|
|
| h |
2 |
2,5 |
3 |
3,5 |
4,5 |
5,5 |
|
|
|
|
| s |
0,25 |
0,25 |
025 |
0,3 |
0,3 |
0,3 |
|
|
|
|
| für Schrauben |
M 3 |
M 4 |
M 5 |
M 6 |
M 8 |
M 10 |
|
|
|
|
 | Lade... |
Innerhalb 12 Stunden und 55 Minuten bestellen und der Auftrag wird voraussichtlich noch heute versendet.¹⁾
| Artikel-Nr. | Abmessung td > | Menge | Kleinpaket | Standardpaket | Großpaket | | | |
| 4213-102 | 3,5 für M 3 | | | 100 | St. | 5,16 € | | 1.000 | St. | 22,49 € | | 3.000 | St. | 62,83 € | | | |
| 4213-104 | 4,5 für M 4 | | | 100 | St. | 9,16 € | | 1.000 | St. | 37,13 € | | 3.000 | St. | 107,10 € | | | |
| 4213-106 | 5,5 für M 5 | | | 100 | St. | 8,73 € | | 1.000 | St. | 40,34 € | | 3.000 | St. | 113,88 € | | | |
| 4213-108 | 7,0 für M 6 | | | 50 | St. | 5,69 € | | 500 | St. | 25,11 € | | 2.500 | St. | 119,60 € | | | |
| 4213-110 | 9,0 für M 8 | | | 50 | St. | 9,17 € | | 500 | St. | 41,59 € | | 2.500 | St. | 195,76 € | | | |
| 4213-100 | 10,0 für M 10 | | | 20 | St. | 6,26 € | | 200 | St. | 23,94 € | | 1.000 | St. | 111,38 € | | | |
¹⁾Vorbehaltlich vollständiger sowie rechtzeitiger Zahlungseingang und ausreichender Menge
 | Lade... |
 | Lade... |
 | Lade... |
Kleinmengenumfrage 2025
Sehr geehrter Kunde, Sehr geehrte Kundin,
wir danken Ihnen, dass Sie sich entschieden haben, an unserer
Kundenumfrage zur Verbesserung der Kleinmengen teilzunehmen.
Ihre Nachricht wird nicht sofort gelesen sondern statistisch ausgewertet
und maschinell verarbeitet.
|
1.
|
Wie sind Sie mit den aktuellen Kleinpaketen zufrieden? * Schulnoten (von 1-6)
 | Lade... |
|
|
|
|
2.
|
Welche Artikel sollten kleiner verpackt werden? * Nennen Sie möglichst: Name, DIN, Werkstoff und Abmessung
|
|
|
|
3.
|
Warum sind Ihnen Kleinpakete lieber als größere Abgabemengen?
|
|
|
|
4.
|
Name oder Kundennummer (freiwillige Angabe)
|
|
|
|
|
* Pflichtfeld
|
|
|
|
|
|
|
|
|
|
 | Lade... |
 | Lade... |
 | Lade... |
 | Lade... |
 | Lade... |
 | Dokument wird erstellt. Bitte warten... |