Dokument drucken
   |   
   |   



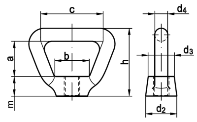
DIN 80704
Korbmuttern
(entspricht keiner anderen Norm)
Kein Bild vorhanden
Maße M 6 M 8 M 10 M 12 M 16 M 20 M 22 M 24
a 15 20 25 27 29 32 32 36
b 14 18 23 27 32 36 36 45
c 25 32 42 48 56 64 64 75
d2 14 18 23 24 30 36 36 45
d3 11,5 15 18 20 24 28 28 36
d4 5 6,5 8 10 12 13 13 14
h 28 36 50 52 59 66 66 75
m 8 10 12 15 18 21 21 25



Alle Angaben ohne Gewähr, Irrtümer und Druckfehler vorbehalten. Technische Maße können teilweise umfangreicher als unser Lieferprogramm sein. © Wegertseder GmbH 1984 - 2025. Die kommerzielle Benutzung von Text und Bild ist nur mit vorheriger schriftlicher Zustimmung erlaubt. Bilder und PDF-Dateien enthalten digitale Signaturen, die auch teilweise oder veränderte Entnahme nachvollziehbar machen.




Version 3.24.2 - Servername: WEBAPP12


 
 Warenkorb
Zur Kasse | Drucken
 
Ihr Warenkorb ist leer

DIN 912 Zylinderschrauben, mit Innensechskant

DIN 912 Zylinderschrauben, mit Innensechskant
 
Artikel-Nr. 2524-047
Werkstoff STAHL 8.8 - verzinkt
Norm DIN 912
Abmessung M 5 x 25

Art. Senkkopf -Spanplattenschrauben Fräsrippen, Schneidkerbe, Innensechsrund (TX)

Art. Senkkopf -Spanplattenschrauben Fräsrippen, Schneidkerbe, Innensechsrund (TX)
 
Artikel-Nr. 4287-008
Werkstoff ROSTFREI A4
Norm Art. 81928
Abmessung 4 x 45 TX

Art. Dicht-Blindniet-Muttern, rund, Senkkopf, CAP=luft- u.wasserdicht, S=Senkkopf 90 Grad

Art. Dicht-Blindniet-Muttern, rund, Senkkopf, CAP=luft- u.wasserdicht, S=Senkkopf 90 Grad
 
Artikelgruppe 2444
Werkstoff ALUMINIUM
Norm Art. 81819
Unsere App - jetzt online!
NEU im Sortiment: Wir haben unser Dübelsortiment erweitert
Zertifizierung

Kundenbewertungen (2.174)
So entstehen unsere Kundenbewertungen

Unsere Kundenbewertungen einschließlich der Sternebewertungen können nur nach Bestellabschluss erstellt werden.

Dadurch ist sichergestellt, dass unser Bestellprozess, unser Service sowie unsere Produkte von echten Kunden bewertet werden, die ihre Erfahrungen mit ihnen teilen möchten.


"Gerne wieder."
-

"Ich bin immer wieder bestens bedient! Danke"
- Erik Fischer

"Hallo, für unseren kleinen Betrieb ist soweit alles in Ordnung. Wir sind sicher kein großer, aber ein langjähriger Kunde. Bitte weiter so. Thomas H. "
-

"Hervorragend!"
-

"vielen Dank für die gute Telefonische Unterstützung!"
-

Unsere Cookie-Richtlinien

Wir nutzen Cookies, um unsere Seite für Sie bestmöglich zu gestalten und dauerhaft zu verbessern. Weitere Informationen erhalten Sie in unserer Datenschutzerklärung. Ohne Ihre Zustimmung werden nur technisch notwendige Cookies verwendet.
AKZEPTIEREN
ABLEHNEN