Dokument drucken
   |   
   |   



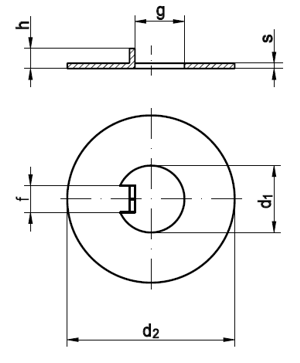
DIN 462
Scheiben mit Innennase, für Nutmutter DIN 1804
(entspricht keiner anderen Norm)
Kein Bild vorhanden
Maße (d1)8101416182022242830323538404245
d220253032343640425050525558626268
s0,80,80,81111111,21,21,21,21,21,21,2
f3455666677778888
g5,97,411,413,515,417,519,521,625,527,529,632,636,337,339,342,4
h2,5333444455555555
Maße (d1)48505255586062657075808595100  
d27575808090909595100110115120135145  
s1,21,21,21,21,51,51,51,51,51,51,51,51,51,5  
f88101010101010101010101212  
g45,447,449,352,355,357,359,362,467,471,976,981,991,896,9  
h55666666677788  



Alle Angaben ohne Gewähr, Irrtümer und Druckfehler vorbehalten. Technische Maße können teilweise umfangreicher als unser Lieferprogramm sein. © Wegertseder GmbH 1984 - 2025. Die kommerzielle Benutzung von Text und Bild ist nur mit vorheriger schriftlicher Zustimmung erlaubt. Bilder und PDF-Dateien enthalten digitale Signaturen, die auch teilweise oder veränderte Entnahme nachvollziehbar machen.




Version 3.24.2 - Servername: WEBAPP12


 
 Warenkorb
Zur Kasse | Drucken
 
Ihr Warenkorb ist leer

DIN 9021 Scheiben, Außendurchmesser = 3x Schraubendurchmesser Stahl Klasse A, 100/140 HV

DIN 9021 Scheiben, Außendurchmesser = 3x Schraubendurchmesser Stahl Klasse A, 100/140 HV
 
Artikel-Nr. 1550-150
Werkstoff STAHL - verzinkt
Norm DIN 9021
Abmessung 8,4 f. M 8

ISO 14581 Senkschrauben mit Innensechsrund (TX)

ISO 14581 Senkschrauben mit Innensechsrund (TX)
 
Artikel-Nr. 4669-099
Werkstoff ROSTFREI A4
Norm ISO 14581
Abmessung M 10 x 45 TX

DIN 3567 Rohrschellen-Hälften, A = gleichschenklig

DIN 3567 Rohrschellen-Hälften, A = gleichschenklig
 
Werkstoff alle
Norm DIN 3567A
Abmessung A77
Unsere App - jetzt online!
NEU im Sortiment: Zusätzlich über 15.000 neue Kleinmengen
Zertifizierung

Kundenbewertungen (2.175)
So entstehen unsere Kundenbewertungen

Unsere Kundenbewertungen einschließlich der Sternebewertungen können nur nach Bestellabschluss erstellt werden.

Dadurch ist sichergestellt, dass unser Bestellprozess, unser Service sowie unsere Produkte von echten Kunden bewertet werden, die ihre Erfahrungen mit ihnen teilen möchten.


"Wegertseder = Klasse Sortiment, übersichtlich, preiswert."
-

"Einfacher Bestellprozess wenn man mal herausgefunden hat, wie man wieder auf die Startseite mit der Produktübersicht zurückkommt... Hier wäre ein dauerhafter Link in der Navigationsspalte links hilfreich."
-

"Ihr seid die Besten! So solle es sein, Germany statt China! DANKE!"
- Konrad Wagner

"war alles gut. Schwierigkeiten habe ich immer mal wieder (nicht nur bei euch) dadurch, dass die Nummern unterschiedlich heißen: - Bestellnummer, Artikelnummer - Auftragsnummer, Bestellnummer, Verwendungszweck"
- Matthias Schwarz

"positiv"
-

Unsere Cookie-Richtlinien

Wir nutzen Cookies, um unsere Seite für Sie bestmöglich zu gestalten und dauerhaft zu verbessern. Weitere Informationen erhalten Sie in unserer Datenschutzerklärung. Ohne Ihre Zustimmung werden nur technisch notwendige Cookies verwendet.
AKZEPTIEREN
ABLEHNEN