kurz

ENSAT Gewindeeinsätze Typ 307, KURZ, selbstschneidend, Schneidbohrungen dienen zur Herstellung von Innengewinden für Schraubverbindungen in Werkstücken, indem ein Hohlzylinder in das Material eingesetzt wird, der selbst ein Innengewinde hat. Selbstschneidende Gewindeeinsätze benötigen ein rund gebohrtes Loch und schneiden sich selbst in das Material. Auf deren Innenseite befindet sich dann das gewünschte metrische Gewinde. ENSAT® ist dabei ein Handelsname eines Herstellers. Die Gewindeeinsätze sind KURZ, es gibt sie aber auch als LANG-Version. mehr ...


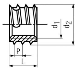
Technische Maße für kurz

Legende:
Maße (d1)
= Durchmesser für metrisches Maß (M) (Nennmaß)
Bohrloch-Tiefe min.
= Tiefe-Bohrloch
L
= Länge-Gesamt
d2
= Durchmesser-Außen
P
= Gewindesteigung

Maße (d1) M3,5 M4 M5 M6 M8 M10 M12 M14
P 0,8 0,8 1 1,25 1,5 1,5 1,75 2
d2 6 6,5 8 10 12 14 16 18
L 5 6 7 8 9 10 12 14
Bohrloch-Tiefe min. 7 8 9 10 11 13 15 17

weitere Informationen

 

Arten von selbstschneidenden Gewindeeinsätzen

Bei den selbstschneidenden Gewindeeinsätzen gibt es drei Arten. Die Standard-Form hat eine normale, gebräuchliche Länge. Dann gibt es besonders lange oder besonders kurze selbstschneidenden Gewindeeinsätze. Wir liefern diese in Stahl gelb verzinkt oder rostfrei im Werkstoff Edelstahl Rostfrei A1. Dieser Edelstahl A1 ist weicher als der Edelstahl A2 oder A4. Für selbstschneidenden Gewindeeinsätze gibt es bei uns auch passendes Eindrehwerkzeug.

 

Regelgewinde oder Feingewinde bei Gewindeeinsätzen

Abhängig davon, welche Anforderung Sie an das Gewinde haben, bieten wir Gewindeeinsätze mit metrischem Regelgewinde (M) oder metrischem Feingewinde (Mf) an. Feingewinde hat bei gleicher Länge mehr Gewindegänge. Dadurch dichtet Feingewinde mehr ab als Regelgewinde.

Alle Angaben ohne Gewähr, Gewährleistung oder Haftung.


Version 3.24.2 - Servername: WEBAPP11


 
 Warenkorb
Zur Kasse | Drucken
 
Ihr Warenkorb ist leer

DIN 934 Sechskantmuttern

DIN 934 Sechskantmuttern
 
Artikel-Nr. 2888-014
Werkstoff STAHL 8 - verzinkt
Norm DIN 934
Abmessung M 6

DIN 7504 Bohrschrauben P mit Senkkopf, Blechschraubengewinde PH-Kreuzschlitz

DIN 7504 Bohrschrauben P mit Senkkopf, Blechschraubengewinde PH-Kreuzschlitz
 
Artikel-Nr. 4267-018
Werkstoff ROSTFREI A2
Norm DIN 7504P
Abmessung P 5,5 x 40 H

ENSAT Gewindeeinsätze Typ 307, KURZ,selbstschneidend, Schneidbohrungen

ENSAT Gewindeeinsätze Typ 307, KURZ,selbstschneidend, Schneidbohrungen
 
Artikelgruppe 5013
Werkstoff STAHL - verzinkt dickschichtpassiviert
Norm Art. 81833
Unsere App - jetzt online!
NEU im Sortiment: Wir haben unser Dübelsortiment erweitert
Zertifizierung

Kundenbewertungen (2.159)
So entstehen unsere Kundenbewertungen

Unsere Kundenbewertungen einschließlich der Sternebewertungen können nur nach Bestellabschluss erstellt werden.

Dadurch ist sichergestellt, dass unser Bestellprozess, unser Service sowie unsere Produkte von echten Kunden bewertet werden, die ihre Erfahrungen mit ihnen teilen möchten.


"Gerne wieder."
-

"Alles bestens schnelle Lieferungen"
- Marko Hanke

"Sehr gut ist, dass man nach DIN-Nummern suchen kann und vor allem, dass man sich die DIN-Tabellen herunterladen kann. Aus diesem Grund bestelle ich immer wieder hier, da das andere nicht bieten."
- Matthias Zander

"immer sehr gute Erklärung/Info, denn ich habe keinerlei technische Ausbildung, nur Hobby/Landwirtschaft"
- Friedrich Rauchenwald

"War schon Kunde mit anderer Firma bei Ihnen, von daher ist mir Fa. Wegertseder ein Begriff für Schrauben unterschiedlichster Art."
-

Unsere Cookie-Richtlinien

Wir nutzen Cookies, um unsere Seite für Sie bestmöglich zu gestalten und dauerhaft zu verbessern. Weitere Informationen erhalten Sie in unserer Datenschutzerklärung. Ohne Ihre Zustimmung werden nur technisch notwendige Cookies verwendet.
AKZEPTIEREN
ABLEHNEN