Dokument drucken
   |   
   |   



Art. 81869
KORREX-Isolierhülsen
(entspricht keiner anderen Norm)
Kein Bild vorhanden
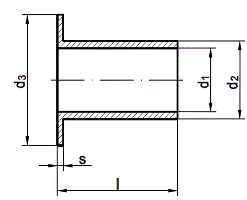
Maße (d)M 4 x 10M 4 x 15M 4 x 20M 5 x 10M 5 x 15M 5 x 20M 6 x 10M 6 x 15M 6 x 20M 8 x 10M 8 x 15M 8 x 22M 10 x 10
für SchraubenM 4M 4M 4M 5M 5M 5M 6M 6M 6M 8M 8M 8M 10
l10152010152010152010152210
d14,34,34,35,35,35,36,56,56,58,28,28,210,2
d25,85,85,86,86,86,888810,410,410,412,5
d39,59,59,512121213131318181821
s1111111111111
Maße (d)M 10 x 20M 10 x 25M 12 x 15M 12 x 25M 16 x 10M 16 x 15M 16 x 20M 16 x 25M 20 x 15M 20 x 20M 20 x 25  
für SchraubenM 10M 10M 12M 12M 16M 16M 16M 16M 20M 20M 20  
l2025152510152025152025  
d110,210,212,312,316,316,316,316,320,320,320,3  
d212,512,5151519,319,319,319,323,323,323,3  
d32121242430303030363636  
s11112222222  



Alle Angaben ohne Gewähr, Irrtümer und Druckfehler vorbehalten. Technische Maße können teilweise umfangreicher als unser Lieferprogramm sein. © Wegertseder GmbH 1984 - 2025. Die kommerzielle Benutzung von Text und Bild ist nur mit vorheriger schriftlicher Zustimmung erlaubt. Bilder und PDF-Dateien enthalten digitale Signaturen, die auch teilweise oder veränderte Entnahme nachvollziehbar machen.




Version 3.24.2 - Servername: WEBAPP12


 
 Warenkorb
Zur Kasse | Drucken
 
Ihr Warenkorb ist leer

DIN 125 Unterlegscheiben Form A Stahl Klasse 140 HV

DIN 125 Unterlegscheiben Form A Stahl Klasse 140 HV
 
Artikel-Nr. 1490-220
Werkstoff STAHL - verzinkt
Norm DIN 125A
Abmessung A 13 f. M 12

Art. Senkkopf -Spanplattenschrauben Fräsrippen, Schneidkerbe, Innensechsrund (TX)

Art. Senkkopf -Spanplattenschrauben Fräsrippen, Schneidkerbe, Innensechsrund (TX)
 
Artikel-Nr. 4291-115
Werkstoff ROSTFREI A2
Norm Art. 81928
Abmessung 10 x 110 TX

SPAX Universalschrauben, Senkkopf, Teilgewinde mit 4CUT-Spitze, Pozidriv (PZ)

SPAX Universalschrauben, Senkkopf, Teilgewinde mit 4CUT-Spitze, Pozidriv (PZ)
 
Artikelgruppe 3037
Werkstoff WIROX (Stahl weiß verzinkt)
Norm Art. 82080
Unsere App - jetzt online!
Die Wegertseder-App: Große Auswahl an Schrauben, Muttern, Nieten, ...
Zertifizierung

Kundenbewertungen (2.174)
So entstehen unsere Kundenbewertungen

Unsere Kundenbewertungen einschließlich der Sternebewertungen können nur nach Bestellabschluss erstellt werden.

Dadurch ist sichergestellt, dass unser Bestellprozess, unser Service sowie unsere Produkte von echten Kunden bewertet werden, die ihre Erfahrungen mit ihnen teilen möchten.


"Sehr gut ist, dass man nach DIN-Nummern suchen kann und vor allem, dass man sich die DIN-Tabellen herunterladen kann. Aus diesem Grund bestelle ich immer wieder hier, da das andere nicht bieten."
- Matthias Zander

"Wegertseder = Klasse Sortiment, übersichtlich, preiswert."
-

"Klasse...weiter so!!!!!!!"
-

"weitermachen so."
- Richard Michl

"Insgesamt sehr zufrieden. Hutmuttern M6 hohe Form aus Aluminium vermisse ich noch. Schönen Tag noch."
-

Unsere Cookie-Richtlinien

Wir nutzen Cookies, um unsere Seite für Sie bestmöglich zu gestalten und dauerhaft zu verbessern. Weitere Informationen erhalten Sie in unserer Datenschutzerklärung. Ohne Ihre Zustimmung werden nur technisch notwendige Cookies verwendet.
AKZEPTIEREN
ABLEHNEN