Dokument drucken
   |   
   |   



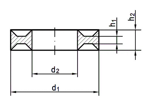
Art. 81825
DUBO-Profilscheiben für Zylinderschrauben mit Innensechskant
(entspricht keiner anderen Norm)
Kein Bild vorhanden
Maße M 4 M 5 M 6 M 8 M 10 M 12 M 16 M 20
d1 7,7 9,8 10,5 14 17 19 25 31,5
d2 4,1 5,15 6,1 8,1 10,2 12,2 16,2 20,2
h2 2 3 2,5 3,3 3,8 4,4 5,6 6,5
h1 0,8 2 1 1,5 1,5 2 2 2,5



Alle Angaben ohne Gewähr, Irrtümer und Druckfehler vorbehalten. Technische Maße können teilweise umfangreicher als unser Lieferprogramm sein. © Wegertseder GmbH 1984 - 2025. Die kommerzielle Benutzung von Text und Bild ist nur mit vorheriger schriftlicher Zustimmung erlaubt. Bilder und PDF-Dateien enthalten digitale Signaturen, die auch teilweise oder veränderte Entnahme nachvollziehbar machen.




Version 3.24.2 - Servername: WEBAPP12


 
 Warenkorb
Zur Kasse | Drucken
 
Ihr Warenkorb ist leer

DIN 9021 Scheiben, Außendurchmesser = 3x Schraubendurchmesser

DIN 9021 Scheiben, Außendurchmesser = 3x Schraubendurchmesser
 
Artikel-Nr. 1556-208
Werkstoff ROSTFREI A2
Norm DIN 9021
Abmessung 5,3 f. M 5

ISO 14581 Senkschrauben mit Innensechsrund (TX)

ISO 14581 Senkschrauben mit Innensechsrund (TX)
 
Artikel-Nr. 4669-077
Werkstoff ROSTFREI A4
Norm ISO 14581
Abmessung M 6 x 65 TX

Art. Euroschrauben Senkkopf, Kreuzschlitz-Z, Kopf-ø 7,7 mm, Grobgewinde

Art. Euroschrauben Senkkopf, Kreuzschlitz-Z, Kopf-ø 7,7 mm, Grobgewinde
 
Artikelgruppe 1438
Werkstoff STAHL - verzinkt
Norm Art. 81836
Unsere App - jetzt online!
Die Wegertseder-App: Große Auswahl an Schrauben, Muttern, Nieten, ...
Zertifizierung

Kundenbewertungen (2.174)
So entstehen unsere Kundenbewertungen

Unsere Kundenbewertungen einschließlich der Sternebewertungen können nur nach Bestellabschluss erstellt werden.

Dadurch ist sichergestellt, dass unser Bestellprozess, unser Service sowie unsere Produkte von echten Kunden bewertet werden, die ihre Erfahrungen mit ihnen teilen möchten.


"Schönen Gruß aus Schönburg !!!"
-

"Einfacher Bestellprozess wenn man mal herausgefunden hat, wie man wieder auf die Startseite mit der Produktübersicht zurückkommt... Hier wäre ein dauerhafter Link in der Navigationsspalte links hilfreich."
-

"war alles gut. Schwierigkeiten habe ich immer mal wieder (nicht nur bei euch) dadurch, dass die Nummern unterschiedlich heißen: - Bestellnummer, Artikelnummer - Auftragsnummer, Bestellnummer, Verwendungszweck"
- Matthias Schwarz

"Insgesamt sehr zufrieden. Hutmuttern M6 hohe Form aus Aluminium vermisse ich noch. Schönen Tag noch."
-

"vielen Dank für die gute Telefonische Unterstützung!"
-

Unsere Cookie-Richtlinien

Wir nutzen Cookies, um unsere Seite für Sie bestmöglich zu gestalten und dauerhaft zu verbessern. Weitere Informationen erhalten Sie in unserer Datenschutzerklärung. Ohne Ihre Zustimmung werden nur technisch notwendige Cookies verwendet.
AKZEPTIEREN
ABLEHNEN