Dokument drucken
   |   
   |    Normen-Umstellung



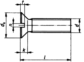
DIN 963
Senkschrauben mit Schlitz
(austauschbar mit , ISO 2009)
Kein Bild vorhanden
Maße (d) M 1 M 1,2 M 1,4 M 1,6 M 1,7 M 2 M 2,3 M 2,5 M 2,6 M 3 M 4 M 5 M 6 M 8 M 10 M 12
k max. 0,6 0,72 0,84 0,96 1,1 1,2 1,3 1,5 1,4 1,65 2,2 2,5 3 4 5 6
t max. 0,3 0,35 0,4 0,45 0,5 0,6 0,65 0,7 0,8 0,85 1,1 1,3 1,6 2,1 2,6 3
n 0,25 0,3 0,3 0,4 0,5 0,5 0,6 0,6 0,6 0,8 1 1,2 1,6 2 2,5 3
dk 1,9 2,3 2,6 3 3,5 3,8 4,5 4,7 5 5,6 7,5 9,2 11 14,5 18 22
Normenumstellungs-Tabelle

DIN Durchmesser DIN Hinweistext DIN Änderungstext ISO Durchmesser ISO Hinweistext ISO
DIN 963 3 k=1,65; dk=5,6 Kopfhöhen (k) und Kopfdurchmesser (dk) ab M 3 geändert ISO 2009* 3 k=1,65; dk=5,5
DIN 963 3,5 k=1,93; dk=6,5 Kopfhöhen (k) und Kopfdurchmesser (dk) ab M 3 geändert ISO 2009 3,5 k=2,35; dk=7,3
DIN 963 4 k=2,2; dk=7,5 Kopfhöhen (k) und Kopfdurchmesser (dk) ab M 3 geändert ISO 2009* 4 k=2,7; dk=8,4
DIN 963 5 k=2,5; dk=9,2 Kopfhöhen (k) und Kopfdurchmesser (dk) ab M 3 geändert ISO 2009* 5 k=2,7; dk=9,3
DIN 963 6 k=3; dk=11 Kopfhöhen (k) und Kopfdurchmesser (dk) ab M 3 geändert ISO 2009* 6 k=3,3; dk=11,3
DIN 963 8 k=4; dk=14,5 Kopfhöhen (k) und Kopfdurchmesser (dk) ab M 3 geändert ISO 2009* 8 k=4,65; dk=15,8
DIN 963 10 k=5; dk=18 Kopfhöhen (k) und Kopfdurchmesser (dk) ab M 3 geändert ISO 2009* 10 k=5; dk=18,3


Alle Angaben ohne Gewähr, Irrtümer und Druckfehler vorbehalten. Technische Maße können teilweise umfangreicher als unser Lieferprogramm sein. © Wegertseder GmbH 1984 - 2025. Die kommerzielle Benutzung von Text und Bild ist nur mit vorheriger schriftlicher Zustimmung erlaubt. Bilder und PDF-Dateien enthalten digitale Signaturen, die auch teilweise oder veränderte Entnahme nachvollziehbar machen.




Version 3.24.2 - Servername: WEBAPP11


 
 Warenkorb
Zur Kasse | Drucken
 
Ihr Warenkorb ist leer

DIN 912 Zylinderschrauben, mit Innensechskant

DIN 912 Zylinderschrauben, mit Innensechskant
 
Artikel-Nr. 2534-326
Werkstoff ROSTFREI A2
Norm DIN 912
Abmessung M 4 x 20

Art. Senkkopf -Spanplattenschrauben Fräsrippen, Schneidkerbe, Innensechsrund (TX)

Art. Senkkopf -Spanplattenschrauben Fräsrippen, Schneidkerbe, Innensechsrund (TX)
 
Artikel-Nr. 4291-012
Werkstoff ROSTFREI A2
Norm Art. 81928
Abmessung 4 x 50 TX

ISO 4035 Sechskantmuttern niedrige Form, mit Fase, LINKS, ISO-Schlüsselweiten

ISO 4035 Sechskantmuttern niedrige Form, mit Fase, LINKS, ISO-Schlüsselweiten
 
Artikelgruppe 4776
Werkstoff STAHL 04 - verzinkt
Norm ISO 4035
Unsere App - jetzt online!
NEU im Sortiment: Entdecken Sie die SPAX-Vielfalt bei Wegertseder
Zertifizierung

Kundenbewertungen (2.175)
So entstehen unsere Kundenbewertungen

Unsere Kundenbewertungen einschließlich der Sternebewertungen können nur nach Bestellabschluss erstellt werden.

Dadurch ist sichergestellt, dass unser Bestellprozess, unser Service sowie unsere Produkte von echten Kunden bewertet werden, die ihre Erfahrungen mit ihnen teilen möchten.


"Passt alles, was angeboten wird wird auch geliefert und das sehr schnell. Sehr gute Qualität"
- Klaus Lauber

"Hervorragend!"
-

"Es funktioniert einfach, im wahsten Sinne des Wortes - Vielen Dank dafür."
-

"War schon Kunde mit anderer Firma bei Ihnen, von daher ist mir Fa. Wegertseder ein Begriff für Schrauben unterschiedlichster Art."
-

"Ich kaufe seit einigen Jahren nur noch über Ihren Shop die benötigten Schrauben und Normteile, da eigentlich jede Größe zu finden ist und die Lieferung sehr zügig geht."
-

Unsere Cookie-Richtlinien

Wir nutzen Cookies, um unsere Seite für Sie bestmöglich zu gestalten und dauerhaft zu verbessern. Weitere Informationen erhalten Sie in unserer Datenschutzerklärung. Ohne Ihre Zustimmung werden nur technisch notwendige Cookies verwendet.
AKZEPTIEREN
ABLEHNEN