Dokument drucken
   |   
   |   



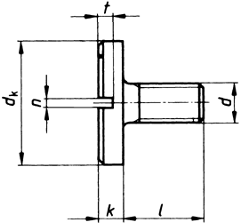
DIN 921
Flachkopfschrauben mit Schlitz, großem Kopf
(entspricht keiner anderen Norm)
Kein Bild vorhanden
d M 1,6 M 2 M 2,5 M 3 M 4 M 5 M 6
t min. 0,5 0,6 0,75 0,9 1,2 1,3 1,5
n 0,4 0,5 0,6 0,8 1 1,2 1,6
k 1 1,2 1,5 1,8 2,4 2,7 3,1
dk max. 5 6 7 8 12 16 20



Alle Angaben ohne Gewähr, Irrtümer und Druckfehler vorbehalten. Technische Maße können teilweise umfangreicher als unser Lieferprogramm sein. © Wegertseder GmbH 1984 - 2025. Die kommerzielle Benutzung von Text und Bild ist nur mit vorheriger schriftlicher Zustimmung erlaubt. Bilder und PDF-Dateien enthalten digitale Signaturen, die auch teilweise oder veränderte Entnahme nachvollziehbar machen.




Version 3.24.2 - Servername: WEBAPP11


 
 Warenkorb
Zur Kasse | Drucken
 
Ihr Warenkorb ist leer

DIN 9021 Scheiben, Außendurchmesser = 3x Schraubendurchmesser Stahl Klasse A, 100/140 HV

DIN 9021 Scheiben, Außendurchmesser = 3x Schraubendurchmesser Stahl Klasse A, 100/140 HV
 
Artikel-Nr. 1550-146
Werkstoff STAHL - verzinkt
Norm DIN 9021
Abmessung 6,4 f. M 6

Art. Konstruktionsschrauben, Innensechsrund (TX), Senkkopf, Teilgewinde, Importware

Art. Konstruktionsschrauben, Innensechsrund (TX), Senkkopf, Teilgewinde, Importware
 
Artikel-Nr. 4478-009
Werkstoff ROSTFREI A2
Norm Art. 82076
Abmessung 10 x 90 TX

Art. Käppi für Innensechskantschrauben, DIN 912 und 6912

Art. Käppi für Innensechskantschrauben, DIN 912 und 6912
 
Artikel-Nr. 3782-697
Werkstoff KUNSTSTOFF - grau
Norm Art. 81903
Abmessung SW 8
Unsere App - jetzt online!
NEU im Sortiment: Wir haben unser Dübelsortiment erweitert
Zertifizierung

Kundenbewertungen (2.118)
So entstehen unsere Kundenbewertungen

Unsere Kundenbewertungen einschließlich der Sternebewertungen können nur nach Bestellabschluss erstellt werden.

Dadurch ist sichergestellt, dass unser Bestellprozess, unser Service sowie unsere Produkte von echten Kunden bewertet werden, die ihre Erfahrungen mit ihnen teilen möchten.


"Sehr gut ist, dass man nach DIN-Nummern suchen kann und vor allem, dass man sich die DIN-Tabellen herunterladen kann. Aus diesem Grund bestelle ich immer wieder hier, da das andere nicht bieten."
- Matthias Zander

"macht einfach Spaß, bei Ihnen einzukaufen!"
-

"Hervorragend!"
-

"war alles gut. Schwierigkeiten habe ich immer mal wieder (nicht nur bei euch) dadurch, dass die Nummern unterschiedlich heißen: - Bestellnummer, Artikelnummer - Auftragsnummer, Bestellnummer, Verwendungszweck"
- Matthias Schwarz

"positiv"
-

Unsere Cookie-Richtlinien

Wir nutzen Cookies, um unsere Seite für Sie bestmöglich zu gestalten und dauerhaft zu verbessern. Weitere Informationen erhalten Sie in unserer Datenschutzerklärung. Ohne Ihre Zustimmung werden nur technisch notwendige Cookies verwendet.
AKZEPTIEREN
ABLEHNEN