Dokument drucken
   |   
   |   



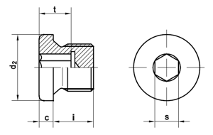
DIN 908
Verschlußschrauben mit Bund und Innensechskant
(entspricht keiner anderen Norm)
Kein Bild vorhanden
MaßeM 8 x 1 *M 10 x 1M 12 x 1,5M 14 x 1,5M 16 x 1,5M 18 x 1,5M 20 x 1,5M 22 x 1,5M 24 x 1,5M 26 x 1,5M 27 x 1,5M 30 x 1,5
s556688101012121217
t min2,45777,57,57,57,57,5999
d2121417192123252729313236
c333434444444
i8812121212141414161616
MaßeM 30 x 2M 33 x 2M 36 x 1,5M 36 x 2M 38 x 1,5M 42 x 1,5M 45 x 1,5M 48 x 1,5M 52 x 1,5M 52 x 2M 56 x 2M 64 x 2
s171719191922222424323232
t min9910,510,510,510,510,510,510,510,51414
d2363942424249525560647272
c455555555555
i161616161616161616162020
MaßeG 1/8 AG 1/4 AG 3/8 AG 1/2 AG 3/4 AG 1 AG 1 1/8 AG 1 1/4 AG 1 1/2 AG 1 3/4 AG 2 A 
s5681012171922243232 
t min577,57,59910,510,510,51414 
d21418222632394449556268 
c33344555555 
i812121416161616162020 



Alle Angaben ohne Gewähr, Irrtümer und Druckfehler vorbehalten. Technische Maße können teilweise umfangreicher als unser Lieferprogramm sein. © Wegertseder GmbH 1984 - 2025. Die kommerzielle Benutzung von Text und Bild ist nur mit vorheriger schriftlicher Zustimmung erlaubt. Bilder und PDF-Dateien enthalten digitale Signaturen, die auch teilweise oder veränderte Entnahme nachvollziehbar machen.




Version 3.24.2 - Servername: WEBAPP12


 
 Warenkorb
Zur Kasse | Drucken
 
Ihr Warenkorb ist leer

DIN 9021 Scheiben, Außendurchmesser = 3x Schraubendurchmesser Stahl Klasse A, 100/140 HV

DIN 9021 Scheiben, Außendurchmesser = 3x Schraubendurchmesser Stahl Klasse A, 100/140 HV
 
Artikel-Nr. 1550-154
Werkstoff STAHL - verzinkt
Norm DIN 9021
Abmessung 13 f. M 12

ISO 7380 Flachkopfschrauben mit Innensechsrund (TX)

ISO 7380 Flachkopfschrauben mit Innensechsrund (TX)
 
Artikel-Nr. 4251-079
Werkstoff ROSTFREI A4
Norm ISO 7380TX
Abmessung M 6 x 30 TX

Art. Schnappmuttern (Blechmuttern) für Blechschrauben, Umstellung gelb auf weiß verzinkt

Art. Schnappmuttern (Blechmuttern) für Blechschrauben, Umstellung gelb auf weiß verzinkt
 
Artikelgruppe 3232
Werkstoff STAHL - weiß verzinkt
Norm Art. 81913
Unsere App - jetzt online!
NEU im Sortiment: Zusätzlich über 15.000 neue Kleinmengen
Zertifizierung

Kundenbewertungen (2.174)
So entstehen unsere Kundenbewertungen

Unsere Kundenbewertungen einschließlich der Sternebewertungen können nur nach Bestellabschluss erstellt werden.

Dadurch ist sichergestellt, dass unser Bestellprozess, unser Service sowie unsere Produkte von echten Kunden bewertet werden, die ihre Erfahrungen mit ihnen teilen möchten.


"Sehr freundliche und kompetente Unterstützung"
-

"Ich bin immer wieder bestens bedient! Danke"
- Erik Fischer

"ch bestelle hier schon seit Jahren und wurde noch nie enttäuscht. Die Qualität der Produkte ist durchweg hervorragend, der Versand zuverlässig und der Kundenservice freundlich und kompetent. Ein Shop, dem ich voll und ganz vertraue!"
-

"Ich kaufe seit einigen Jahren nur noch über Ihren Shop die benötigten Schrauben und Normteile, da eigentlich jede Größe zu finden ist und die Lieferung sehr zügig geht."
-

"weitermachen so."
- Richard Michl

Unsere Cookie-Richtlinien

Wir nutzen Cookies, um unsere Seite für Sie bestmöglich zu gestalten und dauerhaft zu verbessern. Weitere Informationen erhalten Sie in unserer Datenschutzerklärung. Ohne Ihre Zustimmung werden nur technisch notwendige Cookies verwendet.
AKZEPTIEREN
ABLEHNEN