Dokument drucken
   |   
   |   



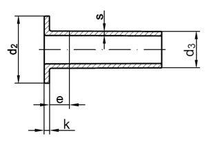
DIN 7338 C
DIN 7338 Hohlnieten Form C
(entspricht keiner anderen Norm)
Kein Bild vorhanden
Maße (d) 3 4 5 6 8
d2 5,5 7,5 9,5 11,5 15,5
d3 min 2,85 3,8 4,8 5,8 7,75
d4 1,7 2,7 3,5 4,2 6
e max 1,5 2 2,5 3 4
k 0,8 1 1 1,2 1,2
r max 0,2 0,3 0,3 0,4 0,4
s 0,5 0,5 0,6 0,75 1,2



Alle Angaben ohne Gewähr, Irrtümer und Druckfehler vorbehalten. Technische Maße können teilweise umfangreicher als unser Lieferprogramm sein. © Wegertseder GmbH 1984 - 2025. Die kommerzielle Benutzung von Text und Bild ist nur mit vorheriger schriftlicher Zustimmung erlaubt. Bilder und PDF-Dateien enthalten digitale Signaturen, die auch teilweise oder veränderte Entnahme nachvollziehbar machen.




Version 3.24.2 - Servername: WEBAPP11


 
 Warenkorb
Zur Kasse | Drucken
 
Ihr Warenkorb ist leer

DIN 982 Sechskantmuttern, Polyamidklemmteil, hohe Form

DIN 982 Sechskantmuttern, Polyamidklemmteil, hohe Form
 
Artikel-Nr. 3330-066
Werkstoff STAHL 8 - verzinkt
Norm DIN 982
Abmessung M 8

Art. Spanplattenschrauben, Innensechsrund (TX), Senkkopf, Vollgewinde, Importware

Art. Spanplattenschrauben, Innensechsrund (TX), Senkkopf, Vollgewinde, Importware
 
Artikel-Nr. 4405-029
Werkstoff ROSTFREI A4
Norm Art. 81939
Abmessung 6 x 55 TX

DIN 1475 Knebelkerbstifte

DIN 1475 Knebelkerbstifte
 
Werkstoff alle
Norm DIN 1475
Abmessung 6
Unsere App - jetzt online!
NEU im Sortiment: Zusätzlich über 15.000 neue Kleinmengen
Zertifizierung

Kundenbewertungen (2.174)
So entstehen unsere Kundenbewertungen

Unsere Kundenbewertungen einschließlich der Sternebewertungen können nur nach Bestellabschluss erstellt werden.

Dadurch ist sichergestellt, dass unser Bestellprozess, unser Service sowie unsere Produkte von echten Kunden bewertet werden, die ihre Erfahrungen mit ihnen teilen möchten.


"ich sags immer wieder NICHTS ändern! Ihr seid TOP!! Euer Versand ist der absolute OBERHAMMER * * * * *"
- Uwe Krippner

"Sehr freundliche und kompetente Unterstützung"
-

"Hervorragend!"
-

"War schon Kunde mit anderer Firma bei Ihnen, von daher ist mir Fa. Wegertseder ein Begriff für Schrauben unterschiedlichster Art."
-

"Bin seit Jahren Kunde bei Ihnen und war bisher immer zufrieden..."
- Wolfgang Kehl

Unsere Cookie-Richtlinien

Wir nutzen Cookies, um unsere Seite für Sie bestmöglich zu gestalten und dauerhaft zu verbessern. Weitere Informationen erhalten Sie in unserer Datenschutzerklärung. Ohne Ihre Zustimmung werden nur technisch notwendige Cookies verwendet.
AKZEPTIEREN
ABLEHNEN