Dokument drucken
   |   
   |    Normen-Umstellung



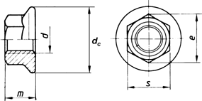
DIN 6926
Sicherungs-Muttern mit Flansch und Polyamid-Klemmteil
(austauschbar mit EN 1663)
Kein Bild vorhanden
Maße (d) M 3 M 4 M 5 M 6 M 8 M 10 M 12
s 6 7 8 10 13 15 18
dc 7,8 10 11,8 14,2 17,9 21,8 26
m 3,8 6 7 9 10,9 13,2 16
e 6,33 7,66 8,79 11,05 14,38 16,64 20,03
Normenumstellungs-Tabelle

DIN Durchmesser DIN Hinweistext DIN Änderungstext ISO Durchmesser ISO Hinweistext ISO
DIN 6926 10 SW=15 Schlüsselweite (SW) bei M 10 geändert EN1663 10 SW=16


Alle Angaben ohne Gewähr, Irrtümer und Druckfehler vorbehalten. Technische Maße können teilweise umfangreicher als unser Lieferprogramm sein. © Wegertseder GmbH 1984 - 2025. Die kommerzielle Benutzung von Text und Bild ist nur mit vorheriger schriftlicher Zustimmung erlaubt. Bilder und PDF-Dateien enthalten digitale Signaturen, die auch teilweise oder veränderte Entnahme nachvollziehbar machen.




Version 3.24.2 - Servername: WEBAPP11


 
 Warenkorb
Zur Kasse | Drucken
 
Ihr Warenkorb ist leer

DIN 9021 Scheiben, Außendurchmesser = 3x Schraubendurchmesser

DIN 9021 Scheiben, Außendurchmesser = 3x Schraubendurchmesser
 
Artikel-Nr. 1556-208
Werkstoff ROSTFREI A2
Norm DIN 9021
Abmessung 5,3 f. M 5

DIN 1475 Knebelkerbstifte

DIN 1475 Knebelkerbstifte
 
Artikel-Nr. 4373-027
Werkstoff ROSTFREI A1
Norm DIN 1475
Abmessung 8 x 45

Art. Diebstahlhemmende Halbrund-Holzschrauben mit Innensechskant und Vernietungsstift

Art. Diebstahlhemmende Halbrund-Holzschrauben mit Innensechskant und Vernietungsstift
 
Artikelgruppe 3658
Werkstoff STAHL - verzinkt
Norm Art. 81823
Unsere App - jetzt online!
NEU im Sortiment: Zusätzlich über 15.000 neue Kleinmengen
Zertifizierung

Kundenbewertungen (2.174)
So entstehen unsere Kundenbewertungen

Unsere Kundenbewertungen einschließlich der Sternebewertungen können nur nach Bestellabschluss erstellt werden.

Dadurch ist sichergestellt, dass unser Bestellprozess, unser Service sowie unsere Produkte von echten Kunden bewertet werden, die ihre Erfahrungen mit ihnen teilen möchten.


"Bin sehr zufrieden. Habe Euch auch schon weiterempfohlen."
-

"war alles gut. Schwierigkeiten habe ich immer mal wieder (nicht nur bei euch) dadurch, dass die Nummern unterschiedlich heißen: - Bestellnummer, Artikelnummer - Auftragsnummer, Bestellnummer, Verwendungszweck"
- Matthias Schwarz

"War schon Kunde mit anderer Firma bei Ihnen, von daher ist mir Fa. Wegertseder ein Begriff für Schrauben unterschiedlichster Art."
-

"Bin absolut zufrieden, Danke, dass Sie auch relative Kleinaufträge für Privatkäufer ermöglichen.BesteGrüße,SOH"
- Sven-Oliver Henkel

"Bin seit Jahren Kunde bei Ihnen und war bisher immer zufrieden..."
- Wolfgang Kehl

Unsere Cookie-Richtlinien

Wir nutzen Cookies, um unsere Seite für Sie bestmöglich zu gestalten und dauerhaft zu verbessern. Weitere Informationen erhalten Sie in unserer Datenschutzerklärung. Ohne Ihre Zustimmung werden nur technisch notwendige Cookies verwendet.
AKZEPTIEREN
ABLEHNEN