Dokument drucken
   |   
   |   



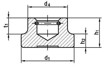
DIN 6311 S
DIN 6311 Druckstücke, S=mit Sprengring
(entspricht keiner anderen Norm)
Kein Bild vorhanden
Maße (d1) 12 16 20 25 32 40
b 0,7 1 1 1 1,2 1,8
d4 10 12 15 18 22 28
h1 7 9 11 13 15 16
h2 2,5 4 5 6 7 9
t1 4 5 6 7 7,5 8
Drahtsprengring nach DIN 7993 5,1 x 0,6 x 2,5 7,0 x 0,8 x 2,5 8 1) 8 1) 12 1) 16 1)
Gewindestift nach DIN 6332 M 6 M 8 M 10 M 12 M 16 M 20



Alle Angaben ohne Gewähr, Irrtümer und Druckfehler vorbehalten. Technische Maße können teilweise umfangreicher als unser Lieferprogramm sein. © Wegertseder GmbH 1984 - 2026. Die kommerzielle Benutzung von Text und Bild ist nur mit vorheriger schriftlicher Zustimmung erlaubt. Bilder und PDF-Dateien enthalten digitale Signaturen, die auch teilweise oder veränderte Entnahme nachvollziehbar machen.




Version 3.24.4 - Servername: WEBAPP11


 
 Warenkorb
Zur Kasse | Drucken
 
Ihr Warenkorb ist leer

DIN 912 Zylinderschrauben, mit Innensechskant

DIN 912 Zylinderschrauben, mit Innensechskant
 
Artikel-Nr. 2524-020
Werkstoff STAHL 8.8 - verzinkt
Norm DIN 912
Abmessung M 4 x 12

DIN 7504 Bohrschrauben P mit Senkkopf, Blechschraubengewinde PH-Kreuzschlitz

DIN 7504 Bohrschrauben P mit Senkkopf, Blechschraubengewinde PH-Kreuzschlitz
 
Artikel-Nr. 4267-014
Werkstoff ROSTFREI A2
Norm DIN 7504P
Abmessung P 5,5 x 22 H
Hier finden Sie das zuletzt angesehene Produkt
Unsere App - jetzt online!
NEU im Sortiment: Entdecken Sie die SPAX-Vielfalt bei Wegertseder
Zertifizierung

Kundenbewertungen (2.227)
So entstehen unsere Kundenbewertungen

Unsere Kundenbewertungen einschließlich der Sternebewertungen können nur nach Bestellabschluss erstellt werden.

Dadurch ist sichergestellt, dass unser Bestellprozess, unser Service sowie unsere Produkte von echten Kunden bewertet werden, die ihre Erfahrungen mit ihnen teilen möchten.


"Wie immer schnell und gut, bitte weitermachen so"
-

"Bin zwar nicht oft hier, aber immer sehr gerne :-)"
-

"Alles toll, da ich das erste Mal bei Euch bestelle, kann ich zu der Lieferzeit und Verpackung nichts sagen. Ein entspanntes Wochenende und ich hoffe, das GLS morgen anliefert... ;-)"
- Michael Diekmann

"Klasse WebShop! Kurz war ich verunsichert, wie ich die Menge anzugeben habe: Nach Paket oder tatsächliche Stückzahl. Aber da kommt man schnell dahinter. Wie gesagt - KLASSE!"
- Eberhard Stollsteimer

"Bin seit Jahren Kunde bei Ihnen und war bisher immer zufrieden..."
- Wolfgang Kehl

Unsere Cookie-Richtlinien

Wir nutzen Cookies, um unsere Seite für Sie bestmöglich zu gestalten und dauerhaft zu verbessern. Weitere Informationen erhalten Sie in unserer Datenschutzerklärung. Ohne Ihre Zustimmung werden nur technisch notwendige Cookies verwendet.
AKZEPTIEREN
ABLEHNEN