Dokument drucken
   |   
   |   



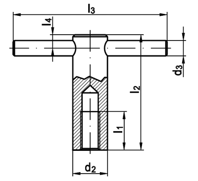
DIN 6305
Knebelmuttern mit festem Knebel
(entspricht keiner anderen Norm)
Kein Bild vorhanden
Maße M 10 M 12 M 16 M 20
d2 18 20 24 30
d3 8 10 12 16
l1 25 25 35 40
l2 60 70 85 95
l3 80 100 120 140
I4 7 9 11 14



Alle Angaben ohne Gewähr, Irrtümer und Druckfehler vorbehalten. Technische Maße können teilweise umfangreicher als unser Lieferprogramm sein. © Wegertseder GmbH 1984 - 2025. Die kommerzielle Benutzung von Text und Bild ist nur mit vorheriger schriftlicher Zustimmung erlaubt. Bilder und PDF-Dateien enthalten digitale Signaturen, die auch teilweise oder veränderte Entnahme nachvollziehbar machen.




Version 3.24.2 - Servername: WEBAPP12


 
 Warenkorb
Zur Kasse | Drucken
 
Ihr Warenkorb ist leer

DIN 912 Zylinderschrauben, mit Innensechskant

DIN 912 Zylinderschrauben, mit Innensechskant
 
Artikel-Nr. 2534-276
Werkstoff ROSTFREI A2
Norm DIN 912
Abmessung M 3 x 6

ISO 7090 Flache Scheiben mit Fase, normale Reihe

ISO 7090 Flache Scheiben mit Fase, normale Reihe
 
Artikel-Nr. 4243-003
Werkstoff ROSTFREI A4 - 200 HV
Norm ISO 7090
Abmessung 45 f. M 42

DIN 960 Sechskantschrauben mit Schaft, FEIN-Gewinde

DIN 960 Sechskantschrauben mit Schaft, FEIN-Gewinde
 
Artikelgruppe 2718
Werkstoff STAHL 10.9 - verzinkt
Norm DIN 960
Abmessung M20
Unsere App - jetzt online!
NEU im Sortiment: Zusätzlich über 15.000 neue Kleinmengen
Zertifizierung

Kundenbewertungen (2.175)
So entstehen unsere Kundenbewertungen

Unsere Kundenbewertungen einschließlich der Sternebewertungen können nur nach Bestellabschluss erstellt werden.

Dadurch ist sichergestellt, dass unser Bestellprozess, unser Service sowie unsere Produkte von echten Kunden bewertet werden, die ihre Erfahrungen mit ihnen teilen möchten.


"ich sags immer wieder NICHTS ändern! Ihr seid TOP!! Euer Versand ist der absolute OBERHAMMER * * * * *"
- Uwe Krippner

"Sehr gut ist, dass man nach DIN-Nummern suchen kann und vor allem, dass man sich die DIN-Tabellen herunterladen kann. Aus diesem Grund bestelle ich immer wieder hier, da das andere nicht bieten."
- Matthias Zander

"Alles tiptop. Ich bestelle sehr gerne bei Ihnen. :-)"
-

"Einfacher Bestellprozess wenn man mal herausgefunden hat, wie man wieder auf die Startseite mit der Produktübersicht zurückkommt... Hier wäre ein dauerhafter Link in der Navigationsspalte links hilfreich."
-

"gern wieder"
- Sven Wallasch

Unsere Cookie-Richtlinien

Wir nutzen Cookies, um unsere Seite für Sie bestmöglich zu gestalten und dauerhaft zu verbessern. Weitere Informationen erhalten Sie in unserer Datenschutzerklärung. Ohne Ihre Zustimmung werden nur technisch notwendige Cookies verwendet.
AKZEPTIEREN
ABLEHNEN