Dokument drucken
   |   
   |   



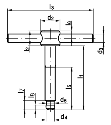
DIN 6304 E
DIN 6304 Knebelschrauben mit festem Knebel, E=ohne Druckstück
(entspricht keiner anderen Norm)
Kein Bild vorhanden
Maße M 6 M 8 M 10 M 12 M 16 M 20
l1 40/50 50/60 60/70 70/80 75/90/100 75/90/100
d2 12 14 18 20 24 30
d3 5 6 8 10 12 16
d4 4,5 6 8 8 12 15,5
d5 4 5,4 7,2 7,2 11 14,4
l2 10 12 14 18 20 28
l3 50 60 80 100 120 140
l5 30/40 35/45 40/50 50/60 55/70/90 55/70/90
l6 5 5 7 9 10 14
l7 6 7,5 9 10 12 14
l8 2,5 3 4,5 4,5 5 5,5



Alle Angaben ohne Gewähr, Irrtümer und Druckfehler vorbehalten. Technische Maße können teilweise umfangreicher als unser Lieferprogramm sein. © Wegertseder GmbH 1984 - 2025. Die kommerzielle Benutzung von Text und Bild ist nur mit vorheriger schriftlicher Zustimmung erlaubt. Bilder und PDF-Dateien enthalten digitale Signaturen, die auch teilweise oder veränderte Entnahme nachvollziehbar machen.




Version 3.24.2 - Servername: WEBAPP12


 
 Warenkorb
Zur Kasse | Drucken
 
Ihr Warenkorb ist leer

DIN 9021 Scheiben, Außendurchmesser = 3x Schraubendurchmesser

DIN 9021 Scheiben, Außendurchmesser = 3x Schraubendurchmesser
 
Artikel-Nr. 1556-202
Werkstoff ROSTFREI A2
Norm DIN 9021
Abmessung 3,2 f. M 3

Art. Senkkopf -Spanplattenschrauben Fräsrippen, Schneidkerbe, Innensechsrund (TX)

Art. Senkkopf -Spanplattenschrauben Fräsrippen, Schneidkerbe, Innensechsrund (TX)
 
Artikel-Nr. 4291-121
Werkstoff ROSTFREI A2
Norm Art. 81928
Abmessung 10 x 140 TX

DIN 7984 Zylinderschrauben mit Innensechskant, niedriger Kopf, ohne Schlüsselführung

DIN 7984 Zylinderschrauben mit Innensechskant, niedriger Kopf, ohne Schlüsselführung
 
Werkstoff alle
Norm DIN 7984
Abmessung M20
Unsere App - jetzt online!
NEU im Sortiment: Zusätzlich über 15.000 neue Kleinmengen
Zertifizierung

Kundenbewertungen (2.174)
So entstehen unsere Kundenbewertungen

Unsere Kundenbewertungen einschließlich der Sternebewertungen können nur nach Bestellabschluss erstellt werden.

Dadurch ist sichergestellt, dass unser Bestellprozess, unser Service sowie unsere Produkte von echten Kunden bewertet werden, die ihre Erfahrungen mit ihnen teilen möchten.


"Gehört zu den Standardshops auf meiner Online-Einkaufsliste! Hier finde ich schnell, was ich suche!"
- Hans-Karl Becker

"Hallo, für unseren kleinen Betrieb ist soweit alles in Ordnung. Wir sind sicher kein großer, aber ein langjähriger Kunde. Bitte weiter so. Thomas H. "
-

"Bestelle jetzt schon seit Jahren, noch nie eine Reklamation. Weiter so."
-

"Alles toll, da ich das erste Mal bei Euch bestelle, kann ich zu der Lieferzeit und Verpackung nichts sagen. Ein entspanntes Wochenende und ich hoffe, das GLS morgen anliefert... ;-)"
- Michael Diekmann

"Weiter so . . ."
-

Unsere Cookie-Richtlinien

Wir nutzen Cookies, um unsere Seite für Sie bestmöglich zu gestalten und dauerhaft zu verbessern. Weitere Informationen erhalten Sie in unserer Datenschutzerklärung. Ohne Ihre Zustimmung werden nur technisch notwendige Cookies verwendet.
AKZEPTIEREN
ABLEHNEN