Dokument drucken
   |   
   |   



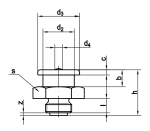
DIN 3404
Flachschmiernippel mit rundem Kopf, Sechskantantrieb
(entspricht keiner anderen Norm)
Kein Bild vorhanden
Maße (d) M 6x1 M 6x1 M 8x1 M 8x1 M 10x1 M 16x1,5 G 1/4 G 1/4 G 3/8
b 4,8 6,5 4,8 6,5 6,5 8,5 6,5 8,5 8,5
c 1,7 2,0 1,7 2,0 2,0 3,0 2,0 3,0 3,0
d2 7,2 12 7,2 12 12 18 12 18 18
d3 10 16 10 16 16 22 16 22 22
d4 min 1,5 1,5 2,5 2,5 2,9 5,0 2,9 5,0 5,0
h max 13 17 13,7 16,7 17,6 23,1 16 22 22
l 4,9 5,3 4,9 5,3 5,5 7,5 5,5 7,5 7,5
s 11 17 11 18 17 22 17 22 22
DIN 3404 Flachschmiernippel mit rundem Kopf, Sechskantantrieb, FEIN-Gewinde
DIN 3404 Flachschmiernippel mit rundem Kopf, Sechskantantrieb, Rohrgewinde G



Alle Angaben ohne Gewähr, Irrtümer und Druckfehler vorbehalten. Technische Maße können teilweise umfangreicher als unser Lieferprogramm sein. © Wegertseder GmbH 1984 - 2025. Die kommerzielle Benutzung von Text und Bild ist nur mit vorheriger schriftlicher Zustimmung erlaubt. Bilder und PDF-Dateien enthalten digitale Signaturen, die auch teilweise oder veränderte Entnahme nachvollziehbar machen.




Version 3.24.2 - Servername: WEBAPP12


 
 Warenkorb
Zur Kasse | Drucken
 
Ihr Warenkorb ist leer

DIN 125 Unterlegscheiben Form A

DIN 125 Unterlegscheiben Form A
 
Artikel-Nr. 1498-308
Werkstoff ROSTFREI A2
Norm DIN 125A
Abmessung A 10,5 f. M 10

Art. Senkkopf -Spanplattenschrauben Fräsrippen, Schneidkerbe, Innensechsrund (TX)

Art. Senkkopf -Spanplattenschrauben Fräsrippen, Schneidkerbe, Innensechsrund (TX)
 
Artikel-Nr. 4287-067
Werkstoff ROSTFREI A4
Norm Art. 81928
Abmessung 8 x 340 TX

ISO 2338 Zylinderstifte, Passung m6

ISO 2338 Zylinderstifte, Passung m6
 
Artikelgruppe 4566
Werkstoff ROSTFREI A4
Norm ISO 2338
Abmessung 5
Unsere App - jetzt online!
NEU im Sortiment: Entdecken Sie die SPAX-Vielfalt bei Wegertseder
Zertifizierung

Kundenbewertungen (2.174)
So entstehen unsere Kundenbewertungen

Unsere Kundenbewertungen einschließlich der Sternebewertungen können nur nach Bestellabschluss erstellt werden.

Dadurch ist sichergestellt, dass unser Bestellprozess, unser Service sowie unsere Produkte von echten Kunden bewertet werden, die ihre Erfahrungen mit ihnen teilen möchten.


"Sehr gut ist, dass man nach DIN-Nummern suchen kann und vor allem, dass man sich die DIN-Tabellen herunterladen kann. Aus diesem Grund bestelle ich immer wieder hier, da das andere nicht bieten."
- Matthias Zander

"Sehr freundlicher Kontakt mit Frau Stockbauer. Danke für die Hilfe."
-

"Meine erste Adresse!"
- Heiner Schnorrenberg

"Alles toll, da ich das erste Mal bei Euch bestelle, kann ich zu der Lieferzeit und Verpackung nichts sagen. Ein entspanntes Wochenende und ich hoffe, das GLS morgen anliefert... ;-)"
- Michael Diekmann

"Sehr guter Kundenservice "
-

Unsere Cookie-Richtlinien

Wir nutzen Cookies, um unsere Seite für Sie bestmöglich zu gestalten und dauerhaft zu verbessern. Weitere Informationen erhalten Sie in unserer Datenschutzerklärung. Ohne Ihre Zustimmung werden nur technisch notwendige Cookies verwendet.
AKZEPTIEREN
ABLEHNEN