Dokument drucken
   |   
   |   



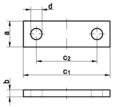
DIN 15058
Achshalter für Hebezeuge
(entspricht keiner anderen Norm)
Kein Bild vorhanden
Maße (a x b) 20 x 5 25 x 6 30 x 8 40 x 10 50 x 12
c1 60 80 100 140 190
c2 36 50 70 100 140
d 9 11 13 17 21
für Achs Ø 16 - 25 25 - 40 40 - 63 63 - 100 100 - 160



Alle Angaben ohne Gewähr, Irrtümer und Druckfehler vorbehalten. Technische Maße können teilweise umfangreicher als unser Lieferprogramm sein. © Wegertseder GmbH 1984 - 2025. Die kommerzielle Benutzung von Text und Bild ist nur mit vorheriger schriftlicher Zustimmung erlaubt. Bilder und PDF-Dateien enthalten digitale Signaturen, die auch teilweise oder veränderte Entnahme nachvollziehbar machen.




Version 3.24.2 - Servername: WEBAPP11


 
 Warenkorb
Zur Kasse | Drucken
 
Ihr Warenkorb ist leer

DIN 912 Zylinderschrauben, mit Innensechskant

DIN 912 Zylinderschrauben, mit Innensechskant
 
Artikel-Nr. 2534-358
Werkstoff ROSTFREI A2
Norm DIN 912
Abmessung M 5 x 10

DIN 7504 Bohrschrauben N mit Linsenkopf, Blechschraubengewinde PH-Kreuzschlitz für Weichmetalle (Spitze aus Edelstahl)

DIN 7504 Bohrschrauben N mit Linsenkopf, Blechschraubengewinde PH-Kreuzschlitz für Weichmetalle (Spitze aus Edelstahl)
 
Artikel-Nr. 4261-013
Werkstoff ROSTFREI A2
Norm DIN 7504N
Abmessung N 4,8 x 90 H

DIN 931 Sechskantschrauben mit Schaft, für Behälterbau nach AD-/TRD-Regelwerk

DIN 931 Sechskantschrauben mit Schaft, für Behälterbau nach AD-/TRD-Regelwerk
 
Werkstoff alle
Norm DIN 931
Abmessung M20
Unsere App - jetzt online!
NEU im Sortiment: Entdecken Sie die SPAX-Vielfalt bei Wegertseder
Zertifizierung

Kundenbewertungen (2.174)
So entstehen unsere Kundenbewertungen

Unsere Kundenbewertungen einschließlich der Sternebewertungen können nur nach Bestellabschluss erstellt werden.

Dadurch ist sichergestellt, dass unser Bestellprozess, unser Service sowie unsere Produkte von echten Kunden bewertet werden, die ihre Erfahrungen mit ihnen teilen möchten.


"Weiter so."
-

"Sehr freundliche und kompetente Unterstützung"
-

"Passt alles, was angeboten wird wird auch geliefert und das sehr schnell. Sehr gute Qualität"
- Klaus Lauber

"war alles gut. Schwierigkeiten habe ich immer mal wieder (nicht nur bei euch) dadurch, dass die Nummern unterschiedlich heißen: - Bestellnummer, Artikelnummer - Auftragsnummer, Bestellnummer, Verwendungszweck"
- Matthias Schwarz

"Ich kaufe seit einigen Jahren nur noch über Ihren Shop die benötigten Schrauben und Normteile, da eigentlich jede Größe zu finden ist und die Lieferung sehr zügig geht."
-

Unsere Cookie-Richtlinien

Wir nutzen Cookies, um unsere Seite für Sie bestmöglich zu gestalten und dauerhaft zu verbessern. Weitere Informationen erhalten Sie in unserer Datenschutzerklärung. Ohne Ihre Zustimmung werden nur technisch notwendige Cookies verwendet.
AKZEPTIEREN
ABLEHNEN