ISO 7051 Linsen-SENK-Blechschrauben mit Phillips- Kreuzschlitz H, C= mit Spitze
ähnlich DIN 7983 Linsen-SENK-Blechschrauben, Phillips-Kreuzschlitz PH, C= mit Spitze:
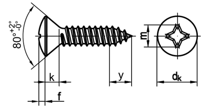
Senkwinkel geändert: DIN 80°/ ISO 90° Kopfhöhen (k) und Kopfdurchmesser (dk) geändert

ISO 7051 Linsen-SENK-Blechschrauben, Phillips-Kreuzschlitz PH, C= mit Spitze dienen der Verschraubung eines Blechs mit einem Bauteil. Sie besitzen einen Linsen-Senkkopf, der auf der unteren Seite eben mit dem Untergrund abschließt und oben eine formschöne, große Linse hat. Achtung! Dazu ist das manuelle Vorbohren nötig, da diese Schrauben keine Fräsrippen am Kopf haben. Als Antrieb haben sie einen Phillips-Kreuzschlitz PH. Die Spitze dient dazu, die Schraube beim Festdrehen im Material zu fixieren und so den Einschraubvorgang zu erleichtern. Das Blech benötigt dabei keine Gewinde an den entsprechenden Stellen, da die Blechschraube sich das Muttergewinde beim Einschrauben selber durch ihr Außengewinde formt. Die Schrauben bestehen aus einsatzgehärtetem Stahl und verfügen  über ein scharfkantiges Gewinde mit großer Steigung. mehr ...


Technische Maße für ISO 7051 Linsen-SENK-Blechschrauben mit Phillips- Kreuzschlitz H, C= mit Spitze

Legende:
Maße
= Durchmesser metrisches Gewinde (M) (Nennmaß)
dk
= Durchmesser-Kopf
k max.
= Höhe-Kopf
f
= Höhe-Linse beim Linsenkopf
Antrieb
= Antrieb-Phillips-Kreuzschlitz (PH)
y
= Länge-Spitze

Maße ST 2,9 ST 3,5 ST 3,9* ST 4,2 ST 4,8 ST 5,5 ST 6,5
dk 5,5 7,3 7,5 8,4 9,3 10,3 11,3
k max. 1,7 2,35 2,3 2,6 2,8 3 3,15
Antrieb 1 2 2 2 2 3 3
y 2,6 3,2 3,5 3,7 4,3 5 6

weitere Informationen

 

Einsatzbereich von ISO 7051 Linsen-SENK-Blechschrauben, Phillips-Kreuzschlitz PH, C= mit Spitze

Blechschrauben werden zur Verbindung von Blechen im Bereich von Profilblechen, Fassadenverkleidungen und Tragkonstruktionen eingesetzt. Als Material der Bleche sind Edelstahl, Aluminium, Stahl, Messing, Nickel oder Kupfer denkbar. Vorteil der Blechschraubenverbindung: sie kann jederzeit wieder gelöst werden.

 

Verarbeitung von ISO 7051 Linsen-SENK-Blechschrauben, Phillips-Kreuzschlitz PH, C= mit Spitze

Blechschrauben benötigen kein Vorschneiden eines Gewindes. Bei dünnen Blechen kann auf das Vorbohren verzichtet werden. Sonst ist ein Vorbohren mit einem Bohrer im passenden Kernlochdurchmesser (siehe technische Daten) erforderlich. Wichtig ist eine geringe Drehgeschwindigkeit des Akkuschraubers oder der Bohrmaschine. Senk-Blechschrauben schneiden den Kopf zu tief in das Material ein, weshalb sie ohne Vorsenken nicht verwendet werden sollten.

 

Unterschied zu anderen Metallschrauben

Blechschrauben verfügen im Gegensatz zu anderen Metallschrauben nicht über ein

metrisches Gewinde, sondern sie sind, ähnlich wie Holzschrauben, konisch aufgebaut.

Eine Blechschraube lässt sich leicht anhand der gedrungenen Form und dem bis hin zum

Schraubenkopf reichenden Gewinde erkennen. Für den Einsatz einer Blechschraube wird

in der Regel keine Schraubensicherung benötigt, da diese Schrauben sich selber im

sichern.

Alle Angaben ohne Gewähr, Gewährleistung oder Haftung.


Version 3.24.2 - Servername: WEBAPP11


 
 Warenkorb
Zur Kasse | Drucken
 
Ihr Warenkorb ist leer

DIN 912 Zylinderschrauben, mit Innensechskant

DIN 912 Zylinderschrauben, mit Innensechskant
 
Artikel-Nr. 2534-360
Werkstoff ROSTFREI A2
Norm DIN 912
Abmessung M 5 x 12

Art. Senkkopf -Spanplattenschrauben Fräsrippen, Schneidkerbe, Innensechsrund (TX)

Art. Senkkopf -Spanplattenschrauben Fräsrippen, Schneidkerbe, Innensechsrund (TX)
 
Artikel-Nr. 4287-069
Werkstoff ROSTFREI A4
Norm Art. 81928
Abmessung 8 x 360 TX

DIN 934 Sechskantmuttern

DIN 934 Sechskantmuttern
 
Werkstoff alle
Norm DIN 934
Abmessung M1,2
Unsere App - jetzt online!
Die Wegertseder-App: Große Auswahl an Schrauben, Muttern, Nieten, ...
Zertifizierung

Kundenbewertungen (2.118)
So entstehen unsere Kundenbewertungen

Unsere Kundenbewertungen einschließlich der Sternebewertungen können nur nach Bestellabschluss erstellt werden.

Dadurch ist sichergestellt, dass unser Bestellprozess, unser Service sowie unsere Produkte von echten Kunden bewertet werden, die ihre Erfahrungen mit ihnen teilen möchten.


"Sehr freundlicher Kontakt mit Frau Stockbauer. Danke für die Hilfe."
-

"Hervorragend!"
-

"war alles gut. Schwierigkeiten habe ich immer mal wieder (nicht nur bei euch) dadurch, dass die Nummern unterschiedlich heißen: - Bestellnummer, Artikelnummer - Auftragsnummer, Bestellnummer, Verwendungszweck"
- Matthias Schwarz

"Bin absolut zufrieden, Danke, dass Sie auch relative Kleinaufträge für Privatkäufer ermöglichen.BesteGrüße,SOH"
- Sven-Oliver Henkel

"Leider sind nicht alle Dinge im Onlineshop bestellbar"
- Stefan Wilhelm

Unsere Cookie-Richtlinien

Wir nutzen Cookies, um unsere Seite für Sie bestmöglich zu gestalten und dauerhaft zu verbessern. Weitere Informationen erhalten Sie in unserer Datenschutzerklärung. Ohne Ihre Zustimmung werden nur technisch notwendige Cookies verwendet.
AKZEPTIEREN
ABLEHNEN