DIN 928 Vierkant-Schweißmuttern

dienen zur Herstellung von Schweißverbindungen. Die Anschweißmuttern haben wahlweise eingestanzte Schweißpunkte, die zum Fixieren am Werkstück genutzt werden können. mehr ...


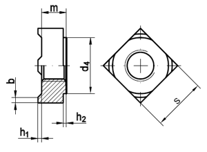
Technische Maße für DIN 928 Vierkant-Schweißmuttern

Legende:
Maße
= Durchmesser für metrisches Maß (M) (Nennmaß)
m
= Höhe-Gesamt
s
= Schlüsselweite
b
= Breite-Schweißbuckel
h1
= Höhe-Schweißbuckel
h2 min
= Höhe-Flansch
d4 min
= Durchmesser-Flansch

Maße M 4 M 5 M 6 M 8 M 10 M 12
b 0,8 1 1,2 1,5 1,8 2
d4 min 6,4 8,2 9,1 12,8 15,6 17,4
h1 0,6 0,8 0,8 1 1,2 1,4
h2 min 0,4 0,6 0,7 1,1 1,25 1,75
m 3,5 4,2 5 6,5 8 9,5
s 7 9 10 14 17 19

weitere Informationen

 

Verwendungszweck und Verarbeitung von DIN 928 Vierkant-Schweißmuttern

Anschweißmuttern werden meist im Karosseriebau, Kfz-Bereich für Autos, LKW, Traktoren oder Landmaschinen sowie im Maschinen- und Anlagenbau für Gehäuse eingesetzt. Schweißmuttern werden dabei fest mit dem Bauteil verschweißt. Zunächst wird die Anschweißmutter über das Bohrloch gelegt und fest mit dem Trägermaterial verschweißt. Erst danach wird die Schraube oder Gewindestange in die Mutter eingedreht. Durch das Verschweißen hält die Mutter selbst bei geringer Wandstärke des darunterliegenden Trägermaterials.

 

Werkstoff von DIN 928 Vierkant-Schweißmuttern

Da alle Oberflächenbehandlungen beim Schweißen hinderlich wären, bieten wir Anschweißmuttern nur in Edelstahl Rostfrei A2 an.

Alle Angaben ohne Gewähr, Gewährleistung oder Haftung.


Version 3.24.2 - Servername: WEBAPP12


 
 Warenkorb
Zur Kasse | Drucken
 
Ihr Warenkorb ist leer

DIN 912 Zylinderschrauben, mit Innensechskant

DIN 912 Zylinderschrauben, mit Innensechskant
 
Artikel-Nr. 2524-019
Werkstoff STAHL 8.8 - verzinkt
Norm DIN 912
Abmessung M 4 x 10

Art. Thermoplasteschrauben Linsenkopf, Innensechsrund (TX), 30°

Art. Thermoplasteschrauben Linsenkopf, Innensechsrund (TX), 30°
 
Artikel-Nr. 3083-016
Werkstoff STAHL - schwarz verzinkt
Norm Art. 81952
Abmessung 3,5 x 12 TX

Art. Blindniete offen, großer Flachkopf CK 16 mm

Art. Blindniete offen, großer Flachkopf CK 16 mm
 
Artikelgruppe 2384
Werkstoff STAHL - STAHL
Norm Art. 81812
Unsere App - jetzt online!
Die Wegertseder-App: Lagernde Artikel sofort im Blick durch Verfügbarkeits-Info
Zertifizierung

Kundenbewertungen (2.162)
So entstehen unsere Kundenbewertungen

Unsere Kundenbewertungen einschließlich der Sternebewertungen können nur nach Bestellabschluss erstellt werden.

Dadurch ist sichergestellt, dass unser Bestellprozess, unser Service sowie unsere Produkte von echten Kunden bewertet werden, die ihre Erfahrungen mit ihnen teilen möchten.


"Gehört zu den Standardshops auf meiner Online-Einkaufsliste! Hier finde ich schnell, was ich suche!"
- Hans-Karl Becker

"ch bestelle hier schon seit Jahren und wurde noch nie enttäuscht. Die Qualität der Produkte ist durchweg hervorragend, der Versand zuverlässig und der Kundenservice freundlich und kompetent. Ein Shop, dem ich voll und ganz vertraue!"
-

"Vor vielen Jahren habe ich das erste Mal bei Ihnen bestellt und war sehr zufrieden. Jetzt habe ich - endlich - ein Kundenkonto angelegt."
- Jürgen Schmidt

"Bin seit Jahren Kunde bei Ihnen und war bisher immer zufrieden..."
- Wolfgang Kehl

"vielen Dank für die gute Telefonische Unterstützung!"
-

Unsere Cookie-Richtlinien

Wir nutzen Cookies, um unsere Seite für Sie bestmöglich zu gestalten und dauerhaft zu verbessern. Weitere Informationen erhalten Sie in unserer Datenschutzerklärung. Ohne Ihre Zustimmung werden nur technisch notwendige Cookies verwendet.
AKZEPTIEREN
ABLEHNEN