Dokument drucken
   |   
   |   



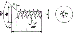
Art. 81953
Thermoplasteschrauben Senkkopf, POZIDRIVE-Kreuzschlitz PZ, 30°
(entspricht keiner anderen Norm)
Kein Bild vorhanden
d mm2,53,03,54,05,0
dk max.4,75,57,38,49,3
k max.1,71,72,32,52,7
t min.1,091,21,471,72,06
t max.1,341,451,932,162,52
Antrieb-PZ11222
d mm     
dk max.     
k max.     
t min.     
t max.     
Antrieb-PZ     



Alle Angaben ohne Gewähr, Irrtümer und Druckfehler vorbehalten. Technische Maße können teilweise umfangreicher als unser Lieferprogramm sein. © Wegertseder GmbH 1984 - 2025. Die kommerzielle Benutzung von Text und Bild ist nur mit vorheriger schriftlicher Zustimmung erlaubt. Bilder und PDF-Dateien enthalten digitale Signaturen, die auch teilweise oder veränderte Entnahme nachvollziehbar machen.




Version 3.24.2 - Servername: WEBAPP12


 
 Warenkorb
Zur Kasse | Drucken
 
Ihr Warenkorb ist leer

DIN 9021 Scheiben, Außendurchmesser = 3x Schraubendurchmesser

DIN 9021 Scheiben, Außendurchmesser = 3x Schraubendurchmesser
 
Artikel-Nr. 1556-202
Werkstoff ROSTFREI A2
Norm DIN 9021
Abmessung 3,2 f. M 3

DIN 7504 Bohrschrauben N mit Linsenkopf, Blechschraubengewinde PH-Kreuzschlitz für Weichmetalle (Spitze aus Edelstahl)

DIN 7504 Bohrschrauben N mit Linsenkopf, Blechschraubengewinde PH-Kreuzschlitz für Weichmetalle (Spitze aus Edelstahl)
 
Artikel-Nr. 4261-040
Werkstoff ROSTFREI A2
Norm DIN 7504N
Abmessung N 6,3 x 80 H

DIN 6885 Paßfedern, hohe Form A = rundstirnig ohne Bohrungen

DIN 6885 Paßfedern, hohe Form A = rundstirnig ohne Bohrungen
 
Artikelgruppe 1850
Werkstoff ROSTFREI A4
Norm DIN 6885A
Abmessung A8
Unsere App - jetzt online!
Die Wegertseder-App: Immer und überall bequem bestellen
Zertifizierung

Kundenbewertungen (2.174)
So entstehen unsere Kundenbewertungen

Unsere Kundenbewertungen einschließlich der Sternebewertungen können nur nach Bestellabschluss erstellt werden.

Dadurch ist sichergestellt, dass unser Bestellprozess, unser Service sowie unsere Produkte von echten Kunden bewertet werden, die ihre Erfahrungen mit ihnen teilen möchten.


"Schönen Gruß aus Schönburg !!!"
-

"war alles gut. Schwierigkeiten habe ich immer mal wieder (nicht nur bei euch) dadurch, dass die Nummern unterschiedlich heißen: - Bestellnummer, Artikelnummer - Auftragsnummer, Bestellnummer, Verwendungszweck"
- Matthias Schwarz

"macht so weiter"
-

"Weiter so . . ."
-

"Ihr seid prima! Die schnelle Lieferung spart Lagerkosten. Auch die Maßübersichten sind prima! Grade bei Normteilen ist es schön, so einen verläßlichen Lieferanten zu haben - eine Sorge weniger! "
-

Unsere Cookie-Richtlinien

Wir nutzen Cookies, um unsere Seite für Sie bestmöglich zu gestalten und dauerhaft zu verbessern. Weitere Informationen erhalten Sie in unserer Datenschutzerklärung. Ohne Ihre Zustimmung werden nur technisch notwendige Cookies verwendet.
AKZEPTIEREN
ABLEHNEN