Dokument drucken
   |   
   |   



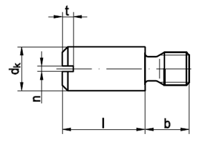
DIN 927
Zapfenschrauben mit Schlitz
(entspricht keiner anderen Norm)
Kein Bild vorhanden
Maße M 3 M 4 M 5 M 6 M 8
dk 4 5,5 6,5 8 10
b 4,5 6 7 8 11
n 0,5 0,6 0,8 1 1,2
t max 1,05 1,42 1,63 2,0 1,9



Alle Angaben ohne Gewähr, Irrtümer und Druckfehler vorbehalten. Technische Maße können teilweise umfangreicher als unser Lieferprogramm sein. © Wegertseder GmbH 1984 - 2025. Die kommerzielle Benutzung von Text und Bild ist nur mit vorheriger schriftlicher Zustimmung erlaubt. Bilder und PDF-Dateien enthalten digitale Signaturen, die auch teilweise oder veränderte Entnahme nachvollziehbar machen.




Version 3.24.2 - Servername: WEBAPP11


 
 Warenkorb
Zur Kasse | Drucken
 
Ihr Warenkorb ist leer

DIN 934 Sechskantmuttern

DIN 934 Sechskantmuttern
 
Artikel-Nr. 2896-154
Werkstoff ROSTFREI A2
Norm DIN 934
Abmessung M 6

DIN 7504 Bohrschrauben P mit Senkkopf, Blechschraubengewinde PH-Kreuzschlitz

DIN 7504 Bohrschrauben P mit Senkkopf, Blechschraubengewinde PH-Kreuzschlitz
 
Artikel-Nr. 4267-024
Werkstoff ROSTFREI A2
Norm DIN 7504P
Abmessung P 5,5 x 80 H

HECO MULTI-MONTI MMSplus Betonschrauben mit Sechskantkopf

HECO MULTI-MONTI MMSplus Betonschrauben mit Sechskantkopf
 
Artikelgruppe 3073
Werkstoff STAHL - galvanisch verzinkt
Norm Art. 82100
Unsere App - jetzt online!
Die Wegertseder-App: Immer und überall bequem bestellen
Zertifizierung

Kundenbewertungen (2.174)
So entstehen unsere Kundenbewertungen

Unsere Kundenbewertungen einschließlich der Sternebewertungen können nur nach Bestellabschluss erstellt werden.

Dadurch ist sichergestellt, dass unser Bestellprozess, unser Service sowie unsere Produkte von echten Kunden bewertet werden, die ihre Erfahrungen mit ihnen teilen möchten.


"Sehr gut ist, dass man nach DIN-Nummern suchen kann und vor allem, dass man sich die DIN-Tabellen herunterladen kann. Aus diesem Grund bestelle ich immer wieder hier, da das andere nicht bieten."
- Matthias Zander

"Bestelle immer wieder gerne mei Ihnen"
-

"war alles gut. Schwierigkeiten habe ich immer mal wieder (nicht nur bei euch) dadurch, dass die Nummern unterschiedlich heißen: - Bestellnummer, Artikelnummer - Auftragsnummer, Bestellnummer, Verwendungszweck"
- Matthias Schwarz

"Bin absolut zufrieden, Danke, dass Sie auch relative Kleinaufträge für Privatkäufer ermöglichen.BesteGrüße,SOH"
- Sven-Oliver Henkel

"Insgesamt sehr zufrieden. Hutmuttern M6 hohe Form aus Aluminium vermisse ich noch. Schönen Tag noch."
-

Unsere Cookie-Richtlinien

Wir nutzen Cookies, um unsere Seite für Sie bestmöglich zu gestalten und dauerhaft zu verbessern. Weitere Informationen erhalten Sie in unserer Datenschutzerklärung. Ohne Ihre Zustimmung werden nur technisch notwendige Cookies verwendet.
AKZEPTIEREN
ABLEHNEN