Dokument drucken
   |   
   |   



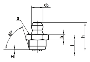
DIN 71412 A
DIN 71412 Kegelschmiernippel, kurz mit Sechskant, A= Kegelkopf gerade/axial
(entspricht keiner anderen Norm)
Kein Bild vorhanden
Maße M 6x1 M 8x1 M 10x1 AR 1/8 AR 1/4
h max 16 16 16 16 16
l 5,5 5,5 5,5 5,5 5,5
d2 6,5 6,5 6,5 6,5 6,5
b 3 3 3 3 3
s 6/7 8/9 10/11 11 14
z max 0,7 0,7 0,7 0,7 0,7
DIN 71412 A
DIN 71412 Kegelschmiernippel, kurz mit Sechskant, A= Kegelkopf gerade/axial
(entspricht keiner anderen Norm)
Kein Bild vorhanden
Maße AR 1/4 AR 1/8
h max. 16 16
l 5,5 5,5
d2 6,5 6,5
b 3 3
s 14 11
z max. 0,7 0,7
DIN 71412 Kegelschmiernippel, kurz mit Sechskant, A= Kegelkopf gerade/axial, zölliges Rohrgewinde R



Alle Angaben ohne Gewähr, Irrtümer und Druckfehler vorbehalten. Technische Maße können teilweise umfangreicher als unser Lieferprogramm sein. © Wegertseder GmbH 1984 - 2025. Die kommerzielle Benutzung von Text und Bild ist nur mit vorheriger schriftlicher Zustimmung erlaubt. Bilder und PDF-Dateien enthalten digitale Signaturen, die auch teilweise oder veränderte Entnahme nachvollziehbar machen.




Version 3.24.2 - Servername: WEBAPP11


 
 Warenkorb
Zur Kasse | Drucken
 
Ihr Warenkorb ist leer

DIN 912 Zylinderschrauben, mit Innensechskant

DIN 912 Zylinderschrauben, mit Innensechskant
 
Artikel-Nr. 2534-418
Werkstoff ROSTFREI A2
Norm DIN 912
Abmessung M 6 x 12

Art. Spanplattenschrauben, Innensechsrund (TX), Senkkopf, Teilgewinde, Importware

Art. Spanplattenschrauben, Innensechsrund (TX), Senkkopf, Teilgewinde, Importware
 
Artikel-Nr. 4289-004
Werkstoff ROSTFREI A4
Norm Art. 81938
Abmessung 4 x 55 TX

ISO 8673 Sechskantmuttern, FEIN-Gewinde

ISO 8673 Sechskantmuttern, FEIN-Gewinde
 
Werkstoff alle
Norm ISO 8673
Abmessung M50
Unsere App - jetzt online!
NEU im Sortiment: Entdecken Sie die SPAX-Vielfalt bei Wegertseder
Zertifizierung

Kundenbewertungen (2.155)
So entstehen unsere Kundenbewertungen

Unsere Kundenbewertungen einschließlich der Sternebewertungen können nur nach Bestellabschluss erstellt werden.

Dadurch ist sichergestellt, dass unser Bestellprozess, unser Service sowie unsere Produkte von echten Kunden bewertet werden, die ihre Erfahrungen mit ihnen teilen möchten.


"ich sags immer wieder NICHTS ändern! Ihr seid TOP!! Euer Versand ist der absolute OBERHAMMER * * * * *"
- Uwe Krippner

"Sehr freundliche und kompetente Unterstützung"
-

"macht einfach Spaß, bei Ihnen einzukaufen!"
-

"ch bestelle hier schon seit Jahren und wurde noch nie enttäuscht. Die Qualität der Produkte ist durchweg hervorragend, der Versand zuverlässig und der Kundenservice freundlich und kompetent. Ein Shop, dem ich voll und ganz vertraue!"
-

"Ihr seid prima! Die schnelle Lieferung spart Lagerkosten. Auch die Maßübersichten sind prima! Grade bei Normteilen ist es schön, so einen verläßlichen Lieferanten zu haben - eine Sorge weniger! "
-

Unsere Cookie-Richtlinien

Wir nutzen Cookies, um unsere Seite für Sie bestmöglich zu gestalten und dauerhaft zu verbessern. Weitere Informationen erhalten Sie in unserer Datenschutzerklärung. Ohne Ihre Zustimmung werden nur technisch notwendige Cookies verwendet.
AKZEPTIEREN
ABLEHNEN