Dokument drucken
   |   
   |   



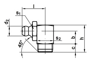
DIN 71412 C
DIN 71412 Kegelschmiernippel, kurz, C= Kegelkopf, 90 Grad abgewinkelt
(entspricht keiner anderen Norm)
Kein Bild vorhanden
Maße (d) M 6x1 M 8x1 M 10x1
h max 18 18 18
c 5,5 5,5 5,5
d2 6,5 6,5 6,5
b 8,5 8,5 8,5
s1 9 9 11
s2 9 9 11
l 14,3 14,3 15,3



Alle Angaben ohne Gewähr, Irrtümer und Druckfehler vorbehalten. Technische Maße können teilweise umfangreicher als unser Lieferprogramm sein. © Wegertseder GmbH 1984 - 2025. Die kommerzielle Benutzung von Text und Bild ist nur mit vorheriger schriftlicher Zustimmung erlaubt. Bilder und PDF-Dateien enthalten digitale Signaturen, die auch teilweise oder veränderte Entnahme nachvollziehbar machen.




Version 3.24.2 - Servername: WEBAPP11


 
 Warenkorb
Zur Kasse | Drucken
 
Ihr Warenkorb ist leer

DIN 912 Zylinderschrauben, mit Innensechskant

DIN 912 Zylinderschrauben, mit Innensechskant
 
Artikel-Nr. 2524-075
Werkstoff STAHL 8.8 - verzinkt
Norm DIN 912
Abmessung M 6 x 16

ISO 7380 Flachkopfschrauben mit Innensechsrund (TX)

ISO 7380 Flachkopfschrauben mit Innensechsrund (TX)
 
Artikel-Nr. 4251-169
Werkstoff ROSTFREI A4
Norm ISO 7380TX
Abmessung M 12 x 120 TX

SPAX Universalschrauben, Senkkopf, Vollgewinde mit 4CUT-Spitze, T-Star plus (Innensechsrund = TX)

SPAX Universalschrauben, Senkkopf, Vollgewinde mit 4CUT-Spitze, T-Star plus (Innensechsrund = TX)
 
Artikelgruppe 3017
Werkstoff ROSTFREI A2
Norm Art. 82086
Abmessung 3
Unsere App - jetzt online!
NEU im Sortiment: Entdecken Sie die SPAX-Vielfalt bei Wegertseder
Zertifizierung

Kundenbewertungen (2.163)
So entstehen unsere Kundenbewertungen

Unsere Kundenbewertungen einschließlich der Sternebewertungen können nur nach Bestellabschluss erstellt werden.

Dadurch ist sichergestellt, dass unser Bestellprozess, unser Service sowie unsere Produkte von echten Kunden bewertet werden, die ihre Erfahrungen mit ihnen teilen möchten.


"Ich bin immer wieder bestens bedient! Danke"
- Erik Fischer

"Klasse...weiter so!!!!!!!"
-

"Alles toll, da ich das erste Mal bei Euch bestelle, kann ich zu der Lieferzeit und Verpackung nichts sagen. Ein entspanntes Wochenende und ich hoffe, das GLS morgen anliefert... ;-)"
- Michael Diekmann

"Ich kaufe seit einigen Jahren nur noch über Ihren Shop die benötigten Schrauben und Normteile, da eigentlich jede Größe zu finden ist und die Lieferung sehr zügig geht."
-

"weitermachen so."
- Richard Michl

Unsere Cookie-Richtlinien

Wir nutzen Cookies, um unsere Seite für Sie bestmöglich zu gestalten und dauerhaft zu verbessern. Weitere Informationen erhalten Sie in unserer Datenschutzerklärung. Ohne Ihre Zustimmung werden nur technisch notwendige Cookies verwendet.
AKZEPTIEREN
ABLEHNEN