Dokument drucken
   |   
   |   



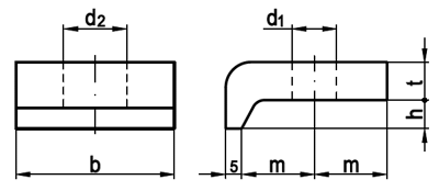
DIN 3568
Klemmplatten für Rohrleitungsaufhängungen an Doppel-T-Trägern
(entspricht keiner anderen Norm)
Kein Bild vorhanden
Maße (h) 10 12 14 16 18 20
b 60 60 60 60 60 60
d1 18 18 18 18 18 18
d2 24 24 24 24 24 24
m 35 35 35 35 35 35
t 18 18 18 18 18 18
für Schrauben M 16 M 16 M 16 M 16 M 16 M 16
DIN 3568 Klemmplatten für Rohrleitungsaufhängungen an Doppel-T-Trägern



Alle Angaben ohne Gewähr, Irrtümer und Druckfehler vorbehalten. Technische Maße können teilweise umfangreicher als unser Lieferprogramm sein. © Wegertseder GmbH 1984 - 2025. Die kommerzielle Benutzung von Text und Bild ist nur mit vorheriger schriftlicher Zustimmung erlaubt. Bilder und PDF-Dateien enthalten digitale Signaturen, die auch teilweise oder veränderte Entnahme nachvollziehbar machen.




Version 3.24.2 - Servername: WEBAPP11


 
 Warenkorb
Zur Kasse | Drucken
 
Ihr Warenkorb ist leer

DIN 934 Sechskantmuttern

DIN 934 Sechskantmuttern
 
Artikel-Nr. 2888-020
Werkstoff STAHL 8 - verzinkt
Norm DIN 934
Abmessung M 10

Art. Senkkopf -Spanplattenschrauben Fräsrippen, Schneidkerbe, Innensechsrund (TX)

Art. Senkkopf -Spanplattenschrauben Fräsrippen, Schneidkerbe, Innensechsrund (TX)
 
Artikel-Nr. 4287-087
Werkstoff ROSTFREI A4
Norm Art. 81928
Abmessung 10 x 220 TX

DIN 84 Zylinderschrauben mit Schlitz

DIN 84 Zylinderschrauben mit Schlitz
 
Artikel-Nr. 1072-014
Werkstoff STAHL 4.8 - vernickelt
Norm DIN 84
Abmessung M 4 x 10
Unsere App - jetzt online!
NEU im Sortiment: Zusätzlich über 15.000 neue Kleinmengen
Zertifizierung

Kundenbewertungen (2.175)
So entstehen unsere Kundenbewertungen

Unsere Kundenbewertungen einschließlich der Sternebewertungen können nur nach Bestellabschluss erstellt werden.

Dadurch ist sichergestellt, dass unser Bestellprozess, unser Service sowie unsere Produkte von echten Kunden bewertet werden, die ihre Erfahrungen mit ihnen teilen möchten.


"es gibt keine z.B. Abstandshülsen Sehr gut sind die DIN/ISO Pdfs der Materialdaten "
- Matthias Zander

"Weiter so."
-

"war alles gut. Schwierigkeiten habe ich immer mal wieder (nicht nur bei euch) dadurch, dass die Nummern unterschiedlich heißen: - Bestellnummer, Artikelnummer - Auftragsnummer, Bestellnummer, Verwendungszweck"
- Matthias Schwarz

"Alles toll, da ich das erste Mal bei Euch bestelle, kann ich zu der Lieferzeit und Verpackung nichts sagen. Ein entspanntes Wochenende und ich hoffe, das GLS morgen anliefert... ;-)"
- Michael Diekmann

"Ich kaufe seit einigen Jahren nur noch über Ihren Shop die benötigten Schrauben und Normteile, da eigentlich jede Größe zu finden ist und die Lieferung sehr zügig geht."
-

Unsere Cookie-Richtlinien

Wir nutzen Cookies, um unsere Seite für Sie bestmöglich zu gestalten und dauerhaft zu verbessern. Weitere Informationen erhalten Sie in unserer Datenschutzerklärung. Ohne Ihre Zustimmung werden nur technisch notwendige Cookies verwendet.
AKZEPTIEREN
ABLEHNEN