Dokument drucken
   |   
   |   



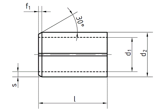
DIN 1498
Einspannbuchsen
(entspricht keiner anderen Norm)
Kein Bild vorhanden
Maße (d1) 16 20 25 28 30 40 50
d2 20 26 32 35 38 50 60
L 20 20 20 / 28 / 30 25 25 25 / 30 / 40 50
s 2 3 3,5 3,5 4 5 5
f1 1,5 2 2 2 2 2,5 2,5



Alle Angaben ohne Gewähr, Irrtümer und Druckfehler vorbehalten. Technische Maße können teilweise umfangreicher als unser Lieferprogramm sein. © Wegertseder GmbH 1984 - 2025. Die kommerzielle Benutzung von Text und Bild ist nur mit vorheriger schriftlicher Zustimmung erlaubt. Bilder und PDF-Dateien enthalten digitale Signaturen, die auch teilweise oder veränderte Entnahme nachvollziehbar machen.




Version 3.24.2 - Servername: WEBAPP11


 
 Warenkorb
Zur Kasse | Drucken
 
Ihr Warenkorb ist leer

DIN 912 Zylinderschrauben, mit Innensechskant

DIN 912 Zylinderschrauben, mit Innensechskant
 
Artikel-Nr. 2524-082
Werkstoff STAHL 8.8 - verzinkt
Norm DIN 912
Abmessung M 6 x 40

DIN 7983 Linsen-SENK-Blechschrauben mit Innensechsrund (TX), C= mit Spitze

DIN 7983 Linsen-SENK-Blechschrauben mit Innensechsrund (TX), C= mit Spitze
 
Artikel-Nr. 4279-020
Werkstoff ROSTFREI A4
Norm DIN 7983TX
Abmessung C 5,5 x 120 TX

ISO 4017 Sechskantschrauben mit Gewinde bis Kopf, ISO-Schlüsselweiten, für Behälterbau nach AD-/TRD-Regelwerk

ISO 4017 Sechskantschrauben mit Gewinde bis Kopf, ISO-Schlüsselweiten, für Behälterbau nach AD-/TRD-Regelwerk
 
Werkstoff alle
Norm ISO 4017
Abmessung M8
Unsere App - jetzt online!
NEU im Sortiment: Entdecken Sie die SPAX-Vielfalt bei Wegertseder
Zertifizierung

Kundenbewertungen (2.118)
So entstehen unsere Kundenbewertungen

Unsere Kundenbewertungen einschließlich der Sternebewertungen können nur nach Bestellabschluss erstellt werden.

Dadurch ist sichergestellt, dass unser Bestellprozess, unser Service sowie unsere Produkte von echten Kunden bewertet werden, die ihre Erfahrungen mit ihnen teilen möchten.


"es gibt keine z.B. Abstandshülsen Sehr gut sind die DIN/ISO Pdfs der Materialdaten "
- Matthias Zander

"Ich kaufe nun schon sehr lange bei Schrauben Wegertseder ein. Die Lieferung war immer sehr schnell und die Ware war wie beschrieben in hervorragender Qualität."
- Hartmund Lawrenz

"Anmerkung zur letzten Frage: bereits mehrfach weiterempfohlen"
-

"Passt alles, was angeboten wird wird auch geliefert und das sehr schnell. Sehr gute Qualität"
- Klaus Lauber

"Sehr freundlicher Kontakt mit Frau Stockbauer. Danke für die Hilfe."
-

Unsere Cookie-Richtlinien

Wir nutzen Cookies, um unsere Seite für Sie bestmöglich zu gestalten und dauerhaft zu verbessern. Weitere Informationen erhalten Sie in unserer Datenschutzerklärung. Ohne Ihre Zustimmung werden nur technisch notwendige Cookies verwendet.
AKZEPTIEREN
ABLEHNEN