Dokument drucken
   |   
   |    Normen-Umstellung



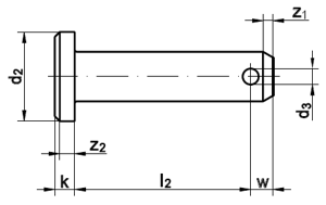
DIN 1444
Splint-Bolzen mit Kopf, B= mit Loch, Passung h11
(austauschbar mit ISO 2341)
Kein Bild vorhanden
Maße (d) 8 10 12 16 18 20
d2 14 18 20 25 28 30
d3 2 3,2 3,2 4 5 5
k 3 4 4 4,5 5 5
w 3,5 4,5 5,5 6 7 8
z1 max 2 2 3 3 3 4
z2 1 1 1,6 1,6 1,6 2
für Splint 2 3,2 3,2 4 5 5



Alle Angaben ohne Gewähr, Irrtümer und Druckfehler vorbehalten. Technische Maße können teilweise umfangreicher als unser Lieferprogramm sein. © Wegertseder GmbH 1984 - 2025. Die kommerzielle Benutzung von Text und Bild ist nur mit vorheriger schriftlicher Zustimmung erlaubt. Bilder und PDF-Dateien enthalten digitale Signaturen, die auch teilweise oder veränderte Entnahme nachvollziehbar machen.




Version 3.24.2 - Servername: WEBAPP11


 
 Warenkorb
Zur Kasse | Drucken
 
Ihr Warenkorb ist leer

DIN 985 Sechskantmuttern, Polyamidklemmteil, niedrige Form (=Standard)

DIN 985 Sechskantmuttern, Polyamidklemmteil, niedrige Form (=Standard)
 
Artikel-Nr. 3346-236
Werkstoff ROSTFREI A2
Norm DIN 985
Abmessung M 5

Art. Linsensenkkopf-Spanplattenschrauben, Innensechsrund (TX), Importware

Art. Linsensenkkopf-Spanplattenschrauben, Innensechsrund (TX), Importware
 
Artikel-Nr. 4285-002
Werkstoff ROSTFREI A4
Norm Art. 81876
Abmessung 3 x 40 TX

DIN 338 Spiralbohrer, rollgewalzt

Artikel-Nr. 6350-275
Werkstoff HSS - rollgewalzt
Norm DIN 338
Abmessung 7,6 mm
Unsere App - jetzt online!
NEU im Sortiment: Zusätzlich über 15.000 neue Kleinmengen
Zertifizierung

Kundenbewertungen (2.118)
So entstehen unsere Kundenbewertungen

Unsere Kundenbewertungen einschließlich der Sternebewertungen können nur nach Bestellabschluss erstellt werden.

Dadurch ist sichergestellt, dass unser Bestellprozess, unser Service sowie unsere Produkte von echten Kunden bewertet werden, die ihre Erfahrungen mit ihnen teilen möchten.


"ja, alle beim THW finden den Shop toll ;-)"
-

"Bin sehr zufrieden. Habe Euch auch schon weiterempfohlen."
-

"Ich habe bis heute noch nichts zu Beanstanden."
- Richard Fiedler jun.

"Klasse WebShop! Kurz war ich verunsichert, wie ich die Menge anzugeben habe: Nach Paket oder tatsächliche Stückzahl. Aber da kommt man schnell dahinter. Wie gesagt - KLASSE!"
- Eberhard Stollsteimer

"Ihr seid prima! Die schnelle Lieferung spart Lagerkosten. Auch die Maßübersichten sind prima! Grade bei Normteilen ist es schön, so einen verläßlichen Lieferanten zu haben - eine Sorge weniger! "
-

Unsere Cookie-Richtlinien

Wir nutzen Cookies, um unsere Seite für Sie bestmöglich zu gestalten und dauerhaft zu verbessern. Weitere Informationen erhalten Sie in unserer Datenschutzerklärung. Ohne Ihre Zustimmung werden nur technisch notwendige Cookies verwendet.
AKZEPTIEREN
ABLEHNEN