Dokument drucken
   |   
   |   



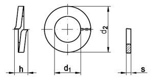
DIN 127 A
DIN 127 Federringe Form A= aufgebogen
(entspricht keiner anderen Norm)
Kein Bild vorhanden
MaßeA 3A 3,5A 4A 5A 6A 7A 8A 10A 12A 14A 16A 18A 20
d13,13,64,15,16,17,18,110,212,214,216,218,220,2
d26,26,77,69,211,812,814,818,121,124,127,429,433,6
s0,80,80,91,21,61,622,22,533,53,54
h1,91,92,12,73,63,64,655,86,87,87,88,8
MaßeA 22A 24A 27A 30A 33A 36A 39A 42A 45A 48A 52  
d122,524,527,530,533,536,539,542,545,54953  
d235,9404348,253,258,261,268,271,27582  
s45566667778  
h8,8111113,613,613,613,615,615,615,618  



Alle Angaben ohne Gewähr, Irrtümer und Druckfehler vorbehalten. Technische Maße können teilweise umfangreicher als unser Lieferprogramm sein. © Wegertseder GmbH 1984 - 2025. Die kommerzielle Benutzung von Text und Bild ist nur mit vorheriger schriftlicher Zustimmung erlaubt. Bilder und PDF-Dateien enthalten digitale Signaturen, die auch teilweise oder veränderte Entnahme nachvollziehbar machen.




Version 3.24.2 - Servername: WEBAPP11


 
 Warenkorb
Zur Kasse | Drucken
 
Ihr Warenkorb ist leer

DIN 912 Zylinderschrauben, mit Innensechskant

DIN 912 Zylinderschrauben, mit Innensechskant
 
Artikel-Nr. 2534-278
Werkstoff ROSTFREI A2
Norm DIN 912
Abmessung M 3 x 8

Sicherheits-Bit-Einsatz 1/4" Innensechsrund mit Bohrung TX-PIN

Sicherheits-Bit-Einsatz 1/4" Innensechsrund mit Bohrung TX-PIN
 
Artikel-Nr. 6458-002
Werkstoff WERKZEUGSTAHL
Norm Art. 81982
Abmessung L=25, TX-PIN 50

ähnlich DIN 582 Ringmuttern

ähnlich DIN 582 Ringmuttern
 
Artikel-Nr. 2284-708
Werkstoff STAHL C 15
Norm DIN 582
Abmessung M 8
Unsere App - jetzt online!
NEU im Sortiment: Zusätzlich über 15.000 neue Kleinmengen
Zertifizierung

Kundenbewertungen (2.118)
So entstehen unsere Kundenbewertungen

Unsere Kundenbewertungen einschließlich der Sternebewertungen können nur nach Bestellabschluss erstellt werden.

Dadurch ist sichergestellt, dass unser Bestellprozess, unser Service sowie unsere Produkte von echten Kunden bewertet werden, die ihre Erfahrungen mit ihnen teilen möchten.


"Wie immer schnell und gut, bitte weitermachen so"
-

"es gibt keine z.B. Abstandshülsen Sehr gut sind die DIN/ISO Pdfs der Materialdaten "
- Matthias Zander

"Bin sehr zufrieden. Habe Euch auch schon weiterempfohlen."
-

"ch bestelle hier schon seit Jahren und wurde noch nie enttäuscht. Die Qualität der Produkte ist durchweg hervorragend, der Versand zuverlässig und der Kundenservice freundlich und kompetent. Ein Shop, dem ich voll und ganz vertraue!"
-

"Bestelle jetzt schon seit Jahren, noch nie eine Reklamation. Weiter so."
-

Unsere Cookie-Richtlinien

Wir nutzen Cookies, um unsere Seite für Sie bestmöglich zu gestalten und dauerhaft zu verbessern. Weitere Informationen erhalten Sie in unserer Datenschutzerklärung. Ohne Ihre Zustimmung werden nur technisch notwendige Cookies verwendet.
AKZEPTIEREN
ABLEHNEN