ISO 2010 Linsen-Senkschrauben mit Schlitz
ähnlich DIN 964 Linsen-Senkschrauben mit Schlitz: Kopfhöhen (k) und Kopfdurchmesser (dk) ab M 3 geändert

sind Gewindeschrauben mit metrischen Regelgewinde (M) und einem versenkbaren Senkkopf. Der Senkkopf sorgt dafür, dass die Schraube - wenn vorgesenkt wurde - plan mit dem Untergrund abschließt. Am Ende bleibt nur noch die formschöne Linse stehen und ragt aus dem Material heraus. Der Linsenkopf reduziert auch die Verletzungsgefahr. Außerdem erreicht man dadurch eine bessere Verbindung, da die Schraube in das Material eintaucht. Als Antrieb haben sie einen Längsschlitz, der immer seltener eingesetzt wird. mehr ...


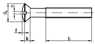
Technische Maße für ISO 2010 Linsen-Senkschrauben mit Schlitz

Legende:
Maße
= Durchmesser metrisches Gewinde (M) (Nennmaß)
dk
= Durchmesser-Kopf
k
= Höhe-Kopf
b
= Länge-Gewinde
n
= Antrieb-Schlitz-Breite
f
= Höhe-Linse beim Linsenkopf

Maße M 2 M 2,5 M 3 M 4 M 5 M 6 M 8 M 10
dk 3,8 4,7 5,6 8,4 9,3 11,3 15,8 18,3
k 1,2 1,5 1,65 2,7 2,7 3,3 4,65 5
b 16 18 19 22 25 28 34 40
f 0,5 0,6 0,75 1 1,25 1,5 2 2,5
n 0,5 0,6 0,8 1 1,2 1,6 2 2,5

weitere Informationen

 

Wo werden ISO 2010 Linsen-Senkschrauben mit Schlitz verwendet?

Häufig werden ISO 2010 Linsen-Senkschrauben mit Schlitz im Maschinen- und Anlagenbau, Elektrotechnik, Modellbau oder für Oldtimer-Autos oder Motorräder zum Verschrauben von Bauteilen, Verkleidungen oder Gehäusen verwendet.

 

Rosetten als Zubehör für Senkschrauben

Zur Vergrößerung der Auflagefläche und als optisches Element werden Senkschrauben häufig in Verbindung mit Rosetten verarbeitet. Dies kann über gestanzte (günstigere) oder Rosetten aus Vollmetall erfolgen. Wir bieten auch Senkrosetten.

 

Lieferbare Werkstoffe für ISO 2010 Linsen-Senkschrauben mit Schlitz

Diese Schraube bieten wir in sehr vielen Werkstoffen an. So z. B. Messing blank, blank gedreht oder Messing vernickelt. Ebenso in Stahl 4.8 blank oder verzinkt sowie  Stahl der Klasse 5.8. Edelstahl Rostfrei A2 eignet sich für Anwendungen im Außenbereich aber ohne dauerhaften Kontakt mit Wasser. Edelstahl Rostfrei A4 verträgt Dauerkontakt mit Wasser, Salzwasser oder bestimmten Säuren.

Alle Angaben ohne Gewähr, Gewährleistung oder Haftung.


Version 3.24.2 - Servername: WEBAPP11


 
 Warenkorb
Zur Kasse | Drucken
 
Ihr Warenkorb ist leer

DIN 912 Zylinderschrauben, mit Innensechskant

DIN 912 Zylinderschrauben, mit Innensechskant
 
Artikel-Nr. 2524-040
Werkstoff STAHL 8.8 - verzinkt
Norm DIN 912
Abmessung M 5 x 10

DIN 7983 Linsen-SENK-Blechschrauben mit Innensechsrund (TX), C= mit Spitze

DIN 7983 Linsen-SENK-Blechschrauben mit Innensechsrund (TX), C= mit Spitze
 
Artikel-Nr. 4279-020
Werkstoff ROSTFREI A4
Norm DIN 7983TX
Abmessung C 5,5 x 120 TX

DIN 7981 Linsen-Blechschrauben mit POZIDRIVE-Kreuzschlitz, C= mit Spitze

DIN 7981 Linsen-Blechschrauben mit POZIDRIVE-Kreuzschlitz, C= mit Spitze
 
Artikelgruppe 3558
Werkstoff ROSTFREI A4
Norm DIN 7981Z
Unsere App - jetzt online!
NEU im Sortiment: Wir haben unser Dübelsortiment erweitert
Zertifizierung

Kundenbewertungen (2.173)
So entstehen unsere Kundenbewertungen

Unsere Kundenbewertungen einschließlich der Sternebewertungen können nur nach Bestellabschluss erstellt werden.

Dadurch ist sichergestellt, dass unser Bestellprozess, unser Service sowie unsere Produkte von echten Kunden bewertet werden, die ihre Erfahrungen mit ihnen teilen möchten.


"Gerne wieder."
-

"Sehr gut ist, dass man nach DIN-Nummern suchen kann und vor allem, dass man sich die DIN-Tabellen herunterladen kann. Aus diesem Grund bestelle ich immer wieder hier, da das andere nicht bieten."
- Matthias Zander

"macht einfach Spaß, bei Ihnen einzukaufen!"
-

"Hervorragend!"
-

"war alles gut. Schwierigkeiten habe ich immer mal wieder (nicht nur bei euch) dadurch, dass die Nummern unterschiedlich heißen: - Bestellnummer, Artikelnummer - Auftragsnummer, Bestellnummer, Verwendungszweck"
- Matthias Schwarz

Unsere Cookie-Richtlinien

Wir nutzen Cookies, um unsere Seite für Sie bestmöglich zu gestalten und dauerhaft zu verbessern. Weitere Informationen erhalten Sie in unserer Datenschutzerklärung. Ohne Ihre Zustimmung werden nur technisch notwendige Cookies verwendet.
AKZEPTIEREN
ABLEHNEN