DIN 6916 HV-Scheiben rund mit Fase

DIN 6916 Scheiben rund für HV-Verbindungen (>295 HV 10) sind runde, besonders harte, Unterlegscheiben für HV-Verbindungen. Eingesetzt werden Sie für I-Profilen im Maschinen- und Anlagenbau sowie im Metallbau. Die Scheibe hat ein rundes Innenloch und hat auf der Hinterseite eingebrachte Kerben. HV-Verbindungen sind hochfest vorspannbare Verbindungen, z. B. im Brückenbau. mehr ...


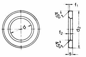
Technische Maße für DIN 6916 HV-Scheiben rund mit Fase

Legende:
Maße (d)
= Durchmesser-Innen (Nennmaß)
d2
= Durchmesser-Außen
s
= Stärke / Höhe
f1
= Höhe-Fase
f2
= Höhe-Fase

Maße (d) 13 17 21 23 25 28 31
für Gewinde M 12 M 16 M 20 M 22 M 24 M 27 M 30
d2 24 30 37 39 44 50 56
s 3 4 4 4 4 5 5
f1 0,5 1 1 1 1 1 1
f2 1,6 1,6 2 2 2 2,5 2,5

weitere Informationen

 

DIN 6916 Scheiben rund für HV-Verbindungen (>295 HV 10) bieten wir in Stahl C45 blank und Stahl C45 feuerverzinkt.

Alle Angaben ohne Gewähr, Gewährleistung oder Haftung.


Version 3.24.4 - Servername: WEBAPP12


 
 Warenkorb
Zur Kasse | Drucken
 
Ihr Warenkorb ist leer

DIN 985 Sechskantmuttern, Polyamidklemmteil, niedrige Form (=Standard)

DIN 985 Sechskantmuttern, Polyamidklemmteil, niedrige Form (=Standard)
 
Artikel-Nr. 3346-232
Werkstoff ROSTFREI A2
Norm DIN 985
Abmessung M 3

DIN 7504 Bohrschrauben N mit Linsenkopf, Blechschraubengewinde PZ-Kreuzschlitz

DIN 7504 Bohrschrauben N mit Linsenkopf, Blechschraubengewinde PZ-Kreuzschlitz
 
Artikel-Nr. 4259-002
Werkstoff ROSTFREI A2
Norm DIN 7504NZ
Abmessung N 2,9 x 16 Z
Hier finden Sie das zuletzt angesehene Produkt
Unsere App - jetzt online!
NEU im Sortiment: Zusätzlich über 15.000 neue Kleinmengen
Zertifizierung

Kundenbewertungen (2.270)
So entstehen unsere Kundenbewertungen

Unsere Kundenbewertungen einschließlich der Sternebewertungen können nur nach Bestellabschluss erstellt werden.

Dadurch ist sichergestellt, dass unser Bestellprozess, unser Service sowie unsere Produkte von echten Kunden bewertet werden, die ihre Erfahrungen mit ihnen teilen möchten.


"es gibt keine z.B. Abstandshülsen Sehr gut sind die DIN/ISO Pdfs der Materialdaten "
- Matthias Zander

"Bestelle immer wieder gerne mei Ihnen"
-

"war alles gut. Schwierigkeiten habe ich immer mal wieder (nicht nur bei euch) dadurch, dass die Nummern unterschiedlich heißen: - Bestellnummer, Artikelnummer - Auftragsnummer, Bestellnummer, Verwendungszweck"
- Matthias Schwarz

"Vor vielen Jahren habe ich das erste Mal bei Ihnen bestellt und war sehr zufrieden. Jetzt habe ich - endlich - ein Kundenkonto angelegt."
- Jürgen Schmidt

"Ihr seid prima! Die schnelle Lieferung spart Lagerkosten. Auch die Maßübersichten sind prima! Grade bei Normteilen ist es schön, so einen verläßlichen Lieferanten zu haben - eine Sorge weniger! "
-

Unsere Cookie-Richtlinien

Wir nutzen Cookies, um unsere Seite für Sie bestmöglich zu gestalten und dauerhaft zu verbessern. Weitere Informationen erhalten Sie in unserer Datenschutzerklärung. Ohne Ihre Zustimmung werden nur technisch notwendige Cookies verwendet.
AKZEPTIEREN
ABLEHNEN