Art. Blindniete offen, großer Kopf 14 mm

Offene Blindnieten mit großem Flachkopf CK 14 mm sind eine spezielle Form des Hohlniets,  die über eine spezielle Blindnietzange verarbeitet werden und zur Verarbeitung nur Zugang zu einer Seite des Bauteils benötigen, das verbunden werden soll. Sie werden auch als Popniet(en) oder Zugdornniet(en) bezeichnet. Der "Kopf" der Blindniete kann als Senkkopf oder Flachkopf ausgeführt sein. Sie haben einen besonders großen, flachen Kopf. mehr ...


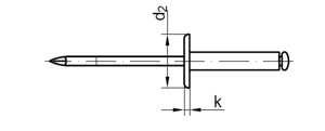
Technische Maße für Art. Blindniete offen, großer Kopf 14 mm

Legende:
d2
= Durchmesser-Kopf
Klemmbereich
= Klemmbereich
k
= Höhe-Kopf
Länge
= Länge-Gesamt
Bohrer Ø
= Durchmesser-Vorbohren
Maße (d)
= Durchmesser (Nennmaß)

Maße (d) 5 5 5 5 5 5 5 5 5
Länge 8 10 12 14 16 18 20 25 30
Klemmbereich 2,5-4,5 4,5-6,0 6,0-8,0 8,0-10,0 10,0-12,0 12,0-14,0 14,0-15,0 15,0-20,0 20,0-25,0
d2 14 14 14 14 14 14 14 14 14
k 1,8 1,8 1,8 1,8 1,8 1,8 1,8 1,8 1,8
Bohrer Ø 5,1 5,1 5,1 5,1 5,1 5,1 5,1 5,1 5,1

weitere Informationen

 

Blindnieten und deren Verwendungszweck

Typische Einsatzbereiche von Blindnieten sind alle Verbindungen von zwei Blechen, Gehäusen oder sonstigen Materialien. Einsatz finden Blindnieten im Flugzeugbau, PKW- , LKW-, Kfz-Bereich, dem Maschinen- und Anlagenbau, der Modellbautechnik oder im Schiffsbau. Anders als eine Schraubverbindung können Blindnietverbindungen zwar schneller hergestellt, aber auch deutlich schwieriger wieder gelöst werden.

 

Montage von offene Blindnieten mit großem Flachkopf CK14 mm

Zur Befestigung einer Blindniete muss zunächst ein Loch passend zum Durchmesser der Niete gebohrt werden, durch welches der Niet mit dem Dorn eingesteckt wird. Mit Hilfe einer Blindnietzange wird der hervorstehende Dorn, das Ende der Niete, nach Außen gezogen. Durch diesen Vorgang kommt es zu einer Verformung des oberen Teils der Blindniete (dem Niet), welcher dann einen Wulst bildet und so die Bauteile verbindet. Nachdem die Verbindung hergestellt ist, reißt der Dorn entlang einer bereits in der Blindniete vorhandenen Sollbruchstelle ab.

 

Material und Werkstoffe bei offene Blindnieten mit großem Flachkopf CK 14 mm

Die Angabe des Werkstoffs bei Blindnieten ist immer zweiteilig, z.B. Stahl-Stahl. Der erste Werkstoff steht für den Niet, also den "oberen" Teil der Blindniete, der sich später zu einer Wulst umformt. Der zweite Teil hinter dem Bindestrich steht für den Werkstoff des Dorns, an dem später die Blindniete mit der Blindnietzange angezogen wird.

Alle Angaben ohne Gewähr, Gewährleistung oder Haftung.


Version 3.24.4 - Servername: WEBAPP11


 
 Warenkorb
Zur Kasse | Drucken
 
Ihr Warenkorb ist leer

DIN 912 Zylinderschrauben, mit Innensechskant

DIN 912 Zylinderschrauben, mit Innensechskant
 
Artikel-Nr. 2534-512
Werkstoff ROSTFREI A2
Norm DIN 912
Abmessung M 8 x 20

Art. Senkkopf -Spanplattenschrauben Fräsrippen, Schneidkerbe, Innensechsrund (TX)

Art. Senkkopf -Spanplattenschrauben Fräsrippen, Schneidkerbe, Innensechsrund (TX)
 
Artikel-Nr. 4287-003
Werkstoff ROSTFREI A4
Norm Art. 81928
Abmessung 3 x 50 TX
Hier finden Sie das zuletzt angesehene Produkt
Unsere App - jetzt online!
NEU im Sortiment: Entdecken Sie die SPAX-Vielfalt bei Wegertseder
Zertifizierung

Kundenbewertungen (2.241)
So entstehen unsere Kundenbewertungen

Unsere Kundenbewertungen einschließlich der Sternebewertungen können nur nach Bestellabschluss erstellt werden.

Dadurch ist sichergestellt, dass unser Bestellprozess, unser Service sowie unsere Produkte von echten Kunden bewertet werden, die ihre Erfahrungen mit ihnen teilen möchten.


"Es ist hervorragend, dass auch kleine Menge bestellt werden können."
-

"Anmerkung zur letzten Frage: bereits mehrfach weiterempfohlen"
-

"Alles gut, bitte weiter so!"
- Michael Klemm

"Sehr freundlicher Kontakt mit Frau Stockbauer. Danke für die Hilfe."
-

"Bin absolut zufrieden, Danke, dass Sie auch relative Kleinaufträge für Privatkäufer ermöglichen.BesteGrüße,SOH"
- Sven-Oliver Henkel

Unsere Cookie-Richtlinien

Wir nutzen Cookies, um unsere Seite für Sie bestmöglich zu gestalten und dauerhaft zu verbessern. Weitere Informationen erhalten Sie in unserer Datenschutzerklärung. Ohne Ihre Zustimmung werden nur technisch notwendige Cookies verwendet.
AKZEPTIEREN
ABLEHNEN