Art. Offene Blindniete mit Flachkopf

Offene Blindnieten mit Flachkopf sind eine spezielle Form des Hohlniets,  die über eine spezielle Blindnietzange verarbeitet werden und zur Verarbeitung nur Zugang zu einer Seite des Bauteils benötigen, das verbunden werden soll. Sie werden auch als Popniet(en) oder Zugdornniet(en) bezeichnet. Der "Kopf" der Blindniete ist als Flachkopf ausgeführt sein. Sie haben einen normal großen Kopf - es gibt auch Blindnieten mit großem Flachkopf. mehr ...


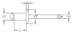
Technische Maße für Art. Offene Blindniete mit Flachkopf

Legende:
Maße (D1)
= Durchmesser (Nennmaß)
D2
= Durchmesser-Kopf
k
= Höhe-Kopf
Lochdurchmesser
= Durchmesser-Stift

Maße (D1) 2,4 3 3,2 4 4,8 5 6 6,4
D2 5,0 6,5 6,5 8,0 9,5 9,5 12 13
Lochdurchmesser 2,5 3,1 3,3 4,1 4,9 5,1 6,1 6,5
d 1,5 1,8 1,95 2,1 2,7 2,7 3,2 3,65
k 0,55 0,8 0,8 10 1,1 1,1 1,5 1,8

weitere Informationen

 

Offene Blindnieten mit Flachkopf und deren Verwendungszweck

Typische Einsatzbereiche von Blindnieten sind alle Verbindungen von zwei Blechen, Gehäusen oder sonstigen Materialien. Einsatz finden Blindnieten im Flugzeugbau, PKW- , LKW-, Kfz-Bereich, dem Maschinen- und Anlagenbau, der Modellbautechnik oder im Schiffsbau. Anders als eine Schraubverbindung können Blindnietverbindungen zwar schneller hergestellt, aber auch deutlich schwieriger wieder gelöst werden.

 

Montage von Offenen Blindnieten mit Flachkopf®

Zur Befestigung einer Blindniete muss zunächst ein Loch passend zum Durchmesser der Niete gebohrt werden, durch welches der Niet mit dem Dorn eingesteckt wird. Mit Hilfe einer Blindnietzange wird der hervorstehende Dorn, das Ende der Niete, nach Außen gezogen. Durch diesen Vorgang kommt es zu einer Verformung des oberen Teils der Blindniete (dem Niet), welcher dann einen Wulst bildet und so die Bauteile verbindet. Nachdem die Verbindung hergestellt ist, reißt der Dorn entlang einer bereits in der Blindniete vorhandenen Sollbruchstelle ab.

 

Material und Werkstoffe bei Offene Blindnieten mit Flachkopf

Die Angabe des Werkstoffs bei Blindnieten ist immer zweiteilig, z.B. Stahl-Stahl. Der erste Werkstoff steht für den Niet, also den "oberen" Teil der Blindniete, der sich später zu einer Wulst umformt. Der zweite Teil hinter dem Bindestrich steht für den Werkstoff des Dorns, an dem später die Blindniete mit der Blindnietzange angezogen wird.

Alle Angaben ohne Gewähr, Gewährleistung oder Haftung.


Version 3.24.4 - Servername: WEBAPP11


 
 Warenkorb
Zur Kasse | Drucken
 
Ihr Warenkorb ist leer

DIN 912 Zylinderschrauben, mit Innensechskant

DIN 912 Zylinderschrauben, mit Innensechskant
 
Artikel-Nr. 2534-432
Werkstoff ROSTFREI A2
Norm DIN 912
Abmessung M 6 x 30

DIN 7504 Bohrschrauben N mit Linsenkopf, Blechschraubengewinde PH-Kreuzschlitz für Weichmetalle (Spitze aus Edelstahl)

DIN 7504 Bohrschrauben N mit Linsenkopf, Blechschraubengewinde PH-Kreuzschlitz für Weichmetalle (Spitze aus Edelstahl)
 
Artikel-Nr. 4261-023
Werkstoff ROSTFREI A2
Norm DIN 7504N
Abmessung N 5,5 x 50 H
Hier finden Sie das zuletzt angesehene Produkt
Unsere App - jetzt online!
Die Wegertseder-App: Große Auswahl an Schrauben, Muttern, Nieten, ...
Zertifizierung

Kundenbewertungen (2.263)
So entstehen unsere Kundenbewertungen

Unsere Kundenbewertungen einschließlich der Sternebewertungen können nur nach Bestellabschluss erstellt werden.

Dadurch ist sichergestellt, dass unser Bestellprozess, unser Service sowie unsere Produkte von echten Kunden bewertet werden, die ihre Erfahrungen mit ihnen teilen möchten.


"Alles bestens schnelle Lieferungen"
- Marko Hanke

"Ich bin immer wieder bestens bedient! Danke"
- Erik Fischer

"Meine erste Adresse!"
- Heiner Schnorrenberg

"Kaufe seit 6 Jahren bei Wegertsender, bin immer zufrieden. Top"
-

"Weiter so!!!!"
-

Unsere Cookie-Richtlinien

Wir nutzen Cookies, um unsere Seite für Sie bestmöglich zu gestalten und dauerhaft zu verbessern. Weitere Informationen erhalten Sie in unserer Datenschutzerklärung. Ohne Ihre Zustimmung werden nur technisch notwendige Cookies verwendet.
AKZEPTIEREN
ABLEHNEN