Art. Thermoplastschrauben 60°, Senkkopf, PZ-Kreuzschlitz

Leichtmetallschrauben Senkkopf, POZIDRIV-Kreuzschlitz PZ, 60° werden auch als Thermoplaste-Schrauben bezeichnet und dienen dazu, Kunststoffe miteinander oder Bauteile in Kunststoffen oder Aluminium zu verschrauben. Oft werden so Gehäuse oder Bauteile im Maschinenbau oder der Elektrotechnik verbunden. Für Kunststoffe sollten tunlichst diese Thermoplasteschrauben verwendet werden, da bei Holz- oder Blechschrauben Beschädigungen oder Risse im Material entstehen können. Diese Schrauben eignen sich für Aluminium. Sie haben einen Pozidriv-Kreuzschlitz PZ, der mit PZ-Bits oder PZ-Schraubendrehern verarbeitet werden kann. Der Senkkopf verschwindet, wenn vorgesenkt wurde, eben mit dem Untergrund. mehr ...


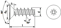
Technische Maße für Art. Thermoplastschrauben 60°, Senkkopf, PZ-Kreuzschlitz

Legende:
d mm
= Durchmesser metrisches Gewinde (M) (Nennmaß)
dk max.
= Durchmesser-Kopf
k max.
= Höhe-Kopf
Antrieb-PZ
= Antrieb-Pozidriv-Kreuzschlitz (PZ)
t min.
= Antrieb-Tiefe
t max.
= Antrieb-Tiefe

d mm 3,0 3,5
dk max. 5,7 7,0
k max. 1,7 2,1
t min. 1,75 1,85
t max. 2,01 2,31
Antrieb-PZ 1 2

weitere Informationen

 

Eigenschaften der Thermoplasteschrauben

Das Gewinde von Thermoplasteschrauben ist relativ grob. Die Gewindesteigung 30° wird für Weichkunststoffe verwendet, während die Gewindesteigung von 60° auch für Aluminium geeignet ist. Die Schrauben haben keine Spitze und sind unten flach. Dadurch muss vorgebohrt werden.  Als Kopfform werden neben dem Senkkopf vor allem der Linsenkopf eingesetzt. Als Schrauben-Antriebe gibt es sowohl PZ-Kreuzschlitz als auch Innensechsrund (TX).

Alle Angaben ohne Gewähr, Gewährleistung oder Haftung.


Version 3.25.2 - Servername: WEBAPP11