Muttern

Ringmuttern ähnlich DIN 582 haben einen großen Ring auf der Oberseite und im unteren Teil eine glatte Oberfläche, in welche ein Innengewinde eingearbeitet ist. Man verbindet die Ringmutter über einen Bolzen oder einer Schraube, wodurch man schwere Lasten einfach greifen und heben kann, indem eine Kette mit Haken oder ein Seil durchgespannt werden. Sie werden verwendet zur dauerhaften Befestigung von Motoren, Getrieben, elektrischen Schaltschränken, Gehäusen oder Ähnlichem und auch für deren Transport. mehr ...


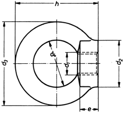
Technische Maße für Muttern

Legende:
h
= Haken-Höhe
d4
= Durchmesser-Innen Haken / Öse
Maße (d1)
= Durchmesser für metrisches Maß (M) (Nennmaß)
d2
= Durchmesser-Flansch
d3
= Durchmesser-Außen Haken / Öse
m
= Höhe-Flansch
k
= Durchmesser-Ring

Maße (d1) M 6 M 8 M 10 M 12 M 16 M 20 M 24 M 30 M 36
h 31 36 45 53 62 71 90 109 128
k 6 8 10 12 14 16 20 24 28
d2 17 20 25 30 35 40 50 65 75
d3 27 36 45 54 63 72 90 108 126
d4 16 20 25 30 35 40 50 60 70

weitere Informationen

 

Sicherheit bei Ringmuttern

Ringmuttern sind ein sicherheitskritisches Bauteil. Eine garantierte Belastbarkeit bietet Ihnen NUR eine Ringmutter, welche DIN 582 voll erfüllt. Unsere Ringmuttern sind 'ähnlich nach DIN 582' gefertigt. Das heißt, sie sehen aus wie Ringmuttern nach dieser Norm, erfüllen aber NICHT die in der Norm angegebenen Kräfte. Für sicherheitsrelevante Anwendungen, z. B. das Heben von schweren Lasten mit einem Kran, dürfen Sie diese Ringmuttern 'ähnlich nach DIN 582' daher NICHT verwenden! Es dürfen nur unbedeutende Lasten in unkritischen Anwendungen gehoben werden

 

Einsatz von Ringmuttern ähnlich DIN 582

Die Ringmuttern ähnlich DIN 582 eignen sich trotzdem für viele Anwendungsbereiche, wo es auf die Optik der Ringmutter und nicht primär auf die Haltekraft ankommt, so z. B. auf Booten, im Schiffsbau, bei Geländern, Zäunen oder im Garten zur Befestigung und Durchführung von Seilen. Im Außenbereich empfehlen wir Ringmuttern, die nicht rosten, z. B. aus Edelstahl Rostfrei A2, A4 (für Salzwasser- oder Säureumgebungen) oder galvanischer Verzinkung.

Alle Angaben ohne Gewähr, Gewährleistung oder Haftung.


Version 3.25.2 - Servername: WEBAPP12