Haken, Ösen, Ringschrauben

Ringschrauben ähnlich nach DIN 580 haben einen großen Ring auf der Oberseite und im unteren Teil kurzes Stück metrisches Außengewinde. Damit wird die Ringschraube mit einem Bauteil verbunden, um schwere Lasten aufzunehmen, indem eine Kette mit Haken oder ein Seil durchgespannt werden. Sie werden verwendet zur dauerhaften Befestigung von Motoren, Getrieben, elektrischen Schaltschränken, Gehäusen oder ähnlichem und auch für deren Transport. mehr ...


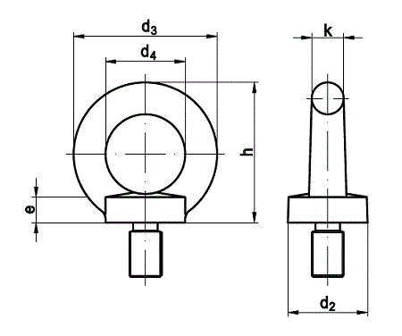
Technische Maße für Haken, Ösen, Ringschrauben

Legende:
h
= Haken-Höhe
d4
= Durchmesser-Innen Haken / Öse
l
= Länge-Gewinde
Maße (d1)
= Durchmesser für metrisches Maß (M) (Nennmaß)
d2
= Durchmesser-Flansch
d3
= Durchmesser-Außen Haken / Öse
e
= Höhe-Flansch

Maße (d1)M6M8M10M12M14M16M18M20M22M24M27
d216-2020253035354040505065
d336364554636372729090108
d42020253035354040505060
h36364553626271719090109
e4681012121414181822
l13131720,520,5272730303640
Maße (d1)M30M33M36M39M42M45M48M52M56M64 
d26575758585100100110110120 
d3108126126144144166166184184206 
d460707080809090100100110 
h109128128147147168168187187208 
e22262630303535383842 
l45455463636868787890 

weitere Informationen

 

Sicherheit bei Ringschrauben

Ringschrauben sind dabei ein sicherheitskritisches Bauteil. Eine garantierte Belastbarkeit bietet Ihnen NUR eine Ringschraube, welche DIN 580 voll erfüllt. Unsere Ringschrauben sind 'ähnlich nach DIN 580' gefertigt. Das heißt, sie sehen aus wie Ringschrauben nach dieser Norm, erfüllen aber NICHT die in der Norm angegebenen Kräfte. Für sicherheitsrelevante Anwendungen, z. B. das Heben von schweren Lasten mit einem Kran, dürfen Sie diese Ringschrauben 'ähnlich nach DIN 580' daher NICHT verwenden! Es dürfen nur unbedeutende Lasten in unkritischen Anwendungen gehoben werden

 

Dimensionierung von Ringschrauben

Um eine höhere Tragfähigkeit zu erzielen, vor allem, wenn Sie an einer Ringschraube mehrere Lasten aufhängen möchten, sollten Sie die nächst- oder übernächst größere Ringschraube wählen. Optimale Tragfähigkeit entsteht dann, wenn Sie die Ringschraube bei Sacklöchern (Loch ist hinten geschlossen) bis zum Ende einschrauben und die Unterseite der Ringmutter am Bauteil aufliegt. Bei Durchgangslöchern (Loch ist hinten offen) sollte zusätzlich auf der Unterseite eine Scheibe angebracht werden und bei jedem Hub geprüft werden, ob Beschädigungen in Form von Rissen, Verformungen oder Rost vorliegen. Im Zweifelsfall sollten sie nur zugelassene Ringschrauben verwenden.

 

Einsatz von Ringschrauben nach DIN 580

Die Ringschrauben ähnlich nach DIN 580 eignen sich dennoch für viele Anwendungen, wo es auf die Optik der Ringschraube ankommt, so z. B. auf Booten, im Schiffsbau, bei Geländern, Zäunen oder im Garten zur Befestigung und Durchführung von Seilen. Im Außenbereich empfehlen wir Ringschrauben, die nicht rosten, z. B. aus Edelstahl Rostfrei A2, A4 (für Salzwasser- oder Säureumgebungen) oder galvanischer Verzinkung.

Alle Angaben ohne Gewähr, Gewährleistung oder Haftung.


Version 3.25.2 - Servername: WEBAPP12